Por Carlos Rodriguez Navarro
Introducción
Hasta hace poco era impensable el gran abanico de posibilidades que al día de hoy nos ofrece el hardware de los PC actuales en comparación con los antiguos PC’s de tan solo media década: visionar vídeos (en múltiples formatos VCD, DVD, AVI, DIVX,etc.), escuchar canciones en MP3, programar, grabar y por supuesto ver su película o programa favorito salvándolo directamente sobre el disco duro de su ordenador o ver directamente sobre su monitor las fotos obtenidas con su cámara digital, son maravillas que poco a poco forman parte de nuestra rutina habitual de vida, y que indudablemente son posibles gracias en gran medida al gran avance que ha sufrido tanto el hardware como el software disponible hoy en día para nuestros PC’s.
Pero desdichadamente ante esta apasionante carrera multimedia en el seno de las posibilidades del mundo de los PC’s, a poco que nos demos cuentas chocamos con un pequeño problema: el estar obligados a visionar /escuchar yes»> todas esas maravillas desde y únicamente el PC (entiéndase a través del monitor y los pequeños altavoces a él conectados).
Justamente para subsanar este gran inconveniente de interconexión entre dos mundos tan heterogéneos surge el presente artículo que pretende dar un solución tremendamente económica y sencilla a este gran problema.
Vista la problemática , de unir mundos tan dispares a los que se supone una distancia de separación media, en el mercado existen varias soluciones que pasamos a analizar de forma sucinta:
- Transmisión de video /audio por VHF: necesita a ambos lados transmisores, los cuales según la distancia, deberán estar provistos de etapa de salida booster. Hoy en día actualmente existen soluciones en SMD para ambos módulos, pero el coste de cada extremo puede rondar los 50 € sin lógica de control. Inconvenientes : no dan una calidad excesiva, precisan de una aparatosa antena y además no todas las capturadoras de TV soportan esta banda.
- Transmisión de video /audio por UHF: necesita a ambos lados transmisores ,los cuales según la distancia deberán estar provistos de etapa de salida booster (al igual que la solución por VHF). Existen también soluciones en SMD . Inconvenientes : no dan una calidad excesiva, precisan de antena y pueden interferir su emisiones con ciertas emisoras locales.
- Transmisión de video /audio a través de la red : esta solución parece ofrecer unos resultados bastantes aceptables, si bien hoy por hoy tenemos que descartarlo por su altísimo coste de las estaciones: Además gravemente no soportan ambos sentidos de transmisión :video>PC y PC>video (a menos que estemos dispuesto a duplicar nuestro presupuesto)
- Repetidores de Infrarrojos: esta solución no es tanto en si para la transmisión de video / audio sino para la gestión cómoda desde el lugar donde este emplazado su TV. Suelen ser circuitos sencillos, pero tienen algunos inconvenientes: necesitan alcance visual entre equipos y requieren tensión de alimentación para trabajar.
- Transmisores de 2,4G: esta solución si bien corrige varios todos los aspectos anteriores , exigen de una solución de transmisión video / audio vía radio a ambos lados por duplicado, con lo cual se encarece terriblemente el resultado final (¡además debemos añadirle los repetidores de nfrarrojos!).
Como vemos pues, aunque existen en el mercado soluciones que pretenden atacar el problema desde diferentes flancos, hoy por hoy no existe una solución realmente económica global que nos permita transmitir video y audio desde nuestro PC hasta nuestro TV (y viceversa: desde nuestro TV hasta nuestro PC).
Solución global con cableado
Como hemos visto en el mercado no existen soluciones económicas y de calidad que engloben la bireccionalidad de emisión entre video yPC y PC a video, por lo que podemos dividir nuestro problema en tres casuísticas:
· Transmisión video /audio desde PC hacia TV .
· Transmisión de video / audio desde TV hacia TV
· Telemando desde sala de TV a PC
Para conseguir nuestro cometido,con la premisa del mínimo presupuesto, optaremos por un sencilla solución cableada, la cual intentaremos optimizar apara conseguir todas las funciones requeridas con el mínimo trabajo, precio y la máxima sencillez posible.
Pasando ya a describir la solución cableada, para llevar a cabo los tres puntos comentados con anterioridad, tenemos que realizar las siguientes conexiones siguientes:
Conexiones directas entre TV y PC
| Lado Euroconector | PIN | Lado PC |
| Video OUT | 19 | Salida video tarjeta VGA |
| Masa Vídeo |
17 | Masa salida video |
| Video IN |
20 | Entrada video capturadora de TV |
| Masa video IN |
18 | Masa entrada de video |
| Canal L in | 6 | Entrada audio L capturadora de TV |
| Canal R in | 2 | Entrada audio R capturadora de TV |
| Masa audio |
4 | Masa chasis PC |
| Canal R out | 1 | Salida audio R tarjeta de sonido |
| Canal L out | 2 | Salida audio L tarjeta de sonido |
| |
Salida mando Infrarrojos |
Observando la tabla anterior,fácilmente podemos deducir que para interconectar ambos dispositivos (TV-PC) necesitaríamos 14 conexiones (4 de video,6 de audio y 5 de control)
| Numero conexiones | Tipo de Conexiones |
| 2 | video out |
| 2 | video in |
| 3 | Audio in |
| 3 | Audio out |
| 3 | Mando infrarrojos |
| 2 | Telemando |
| 15 | TOTAL |
Vemos como esta solución exige una cantidad elevada de conexiones, la cual nos obligaría no solo a un desembolso económico importante, sino al uso de un grueso e inmanejable cable que deberíamos llevar desde nuestro PC hasta nuestro TV.
No obstante, este conexionado de 15 hilos es una solución sencilla para pequeñas distancias entre ambos aparatos, pero si elige esta opción procure que los cables no sean demasiados largos y por supuesto, ¡apatantallados y de buena calidad!.
No obstante para minimizar el numero de hilos a distancias razonablemente medias (30 metros o más) podemos reducir el numero de conexiones si utilizamos un conmutador audio y video en ambos lados y unificamos las masas de ambos lados , quedando de esta manera el esquema anterior de 15 pares apantallados ¡queda reducido a tan solo 7 hilos, (¡ es decir a solo 6 hilos con un apantallamiento común!)
| Lado PC | Lado TV |
| Entrada /Salida video |
Entrada / salida video SCART |
| Salida /Entrada R audio | Entrada / salida L audio SCART |
| Salida /Entrada L audio | Entrada / salida R audio SCART |
| Telemando lado PC | Telemando lado TV |
| Masa chasis | Masa general |
| Salida infrarrojo capturadora | Fototransistor infrarrojo |
Antes de ponernos manos a la obra, deberemos observar que a mayor distancia, más atenuación de la señal tendrá y por tanto peor calidad de imagen y sonido se obtendrá en la televisión del salón. De todos modos, usando cable de calidad, no debe haber muchos problemas con cables de hasta 20 metros de longitud o incluso más.
Hardware en su PC necesario
Afortunadamente los PC’s modernos incluyen en su mayoría el Hw necesario para poder hacer todas las cosas que apuntábamos mas arriba (sobre todo en el apartado de video y audio), si bien con objeto de clarificar ideas junto a un PC medianamente potente (entiéndase superior a un Intel Pentium 2 o AMD K6 a 500Mhz con un generoso disco y bus de video AGP) , necesitaremos además los siguientes componentes:
Tarjeta de sonido: hoy en día la mayoría de los ordenadores lo incluyen de serie en placa madre
(normalmente compatible con AC3) por lo que no será un problema ya que en el caso de que nuestro equipo no lo incluyera , suele ser un componente deun precio mas que moderado.
Tarjeta de video con salida de TV:
para poder visionar los contenidos multimedia sobre un sistema de video convencional necesitamos que nuestra tarjeta de video, además de incluir la salida convencional svga,
incluya una salida directa de video compuesto.
Esta posibilidad que hasta hace poco era reserva de tan solo unos pocas tarjetas de video “profesionales” es ya una realidad habitual en la mayoría de los existentes en el mercado , entre las que se ha impuesto definitivamente en el bus AGP y su opción salida de video compuesto (en adelante lo llamaremos TV-out).
Debe tenerse en cuenta, que su tarjeta de video puede o no tener ambas conexiones (S-VHS y RCA-video), e incluso puede tener otra más, que es una salida digital, apropiada para las pantalla TFT. Si su tarjeta de video no tiene una salida S-VHS o RCA-video, no puede usar la TV para ver el escritorio. En este caso, deberá usar un conversor
VGA-TV, pero francamente, por el precio que tienen, puede comprar una tarjeta con TV-out que además tenga unas buenas prestaciones en 3D ( fundamentalmente para juegos ). No todas las tarjetas del mercado con TV-out son iguales. Algunos fabricantes disponen de una salida de TV-out de mayor calidad, y por tanto, dan una imagen mucho más nítida y definida.
| Fabricante | Calidad TV |
| Matrox | La mejor calidad; Estupendas para 2D, pero pobres prestaciones en 3D |
| ATI | Excelente calidad de TV-Out. Las Raedon 8500 y superiores dan un estupendo rendimiento en 3D |
| nVidia | Excelente calidad de TV-Out. Quizá no llegue a la calidad de ATI. En 3D son todo un referente. |
| 2Dfx | Buena calidad de TV-Out. Ya no se fabrican. |
| S3 | Buena calidad de TV-Out. Ya no se fabrican apenas. |
Normalmente las resoluciones que se pueden usar con la TV-Out son las de 640×480 y la de
800×600, que es más que suficiente para la imagen de TV. Siempre se deberá escoger la mayor resolución que le permita su tarjeta de video (por ejemplo en el caso de la económica Savage-3D admite para salida de TV como máximo 640×480 con trae- color)
Capturadora de TV: para poder capturar secuencias de TV, de nuestro video, cámara de video, nuestro receptor o descodificador de satélite u otra fuente externa, necesitamos de una
tarjeta capturadora de TV que se encargue de esta función.
Aunque esto pueda parecer poco útil en realidad puede ser de gran utilidad ya que nos permitirá salvar directamente sobre nuestro disco duro cualquier contenido de video (TV, cámara, descodificador, etc), para luego poderlo visualizarlo directamente desde aquel (en la pantalla del PC y muy pronto es su TV con el circuito que se propone) sin perdida visible de calidad a través del tiempo (ya que el formato de almacenamiento será completamente digital).
Como ejemplo de capturadora destacamos por su gran relación calidad / precio la Aver-TV de AverMedia ,la cual nos permite por si sola capturar en mpeg1 o mpeg2 directamente (por
software) con una calidad mas que aceptable. Además de sus posibilidades de interconexión (posee entradas de audio y video directas), se puede gobernar a través de un mando a distancia (mas adelante propondremos como podremos usar esto para comandar nuestro PC a distancia cómodamente gracias a esta posibilidad)
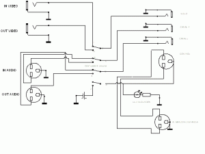
Esquema Lado Televisor (modulo receptor)
El esquema del circuito no puede ser mas simple, pues básicamente se trata de capturar las entradas de audio y video presentes en el euroconector por el lado mas cercano al TV, y
no llevarnos estas conexiones a un rele que conmutará adecuadamente estas señales con las presentes en los conectores de audio y video que nos vendrán por toda la casa desde nuestro PC provenientes del otro modulo emisor,(¡ aunque en realidad ambos módulos funcionan tanto como emisores como receptores ¡).
Obviamente para hacer esto posible llevaremos junto a las señales de audio y video la señal de mando del rele, el cual será de baja corriente de excitación = 6 v (Véase nota al final de esta
sección)
Prestando atención al esquema adjunto, se puede observar como en reposo los contactos
del rele permiten pasar las señales de audio y video a las entradas de audio y video del euroconector directamente sin consumo de corriente alguno , motivo por el cual hemos llamado a este modulo como “receptor” , ya que este es su funcionamiento por defecto.
Por ultimo para mejorar la funcionalidad de todo el conjunto llevaremos la señal del receptor de
infrarrojos de la capturadora hasta este modulo, con objeto de poder cómodamente usar nuestro mando a distancia de nuestra tarjeta capturadora junto a nuestro TV .
Montaje
El modulo lo construiremos a partir de un económico cable universal con 2 euroconectores (que podemos comprar de un importe inferior a 1€), el cual por un extremo y en el soldaremos 8 hilos
(observe esquema adjunto). Estos hilos irán conexionados directamente a los terminales del
rele según el esquema. Realizadas la conexiones del euroconector, nos toca conectar los conectores de audio y video, para lo cual conectaremos sendos hilos de los restantes terminales del rele a los RCA hembra (que previamente habremos mecanizado sobre a la caja).
A continuación nos queda conectar la bobina del rele , la cual conectaremos desde la señal de mando proveniente del conector correspondiente. Por último, conectaremos el led rojo (el cual nos avisara de que nuestro circuito esta funcionado en modo emisión (que nos servirá para las capturas de la señal de video de VCR, satélite, cámara, etc.hacia el ordenador), y finalmente conectaremos el jack hembra mono (al cual conectáremos el receptor del mando a distancia de la capturadora).
Nota: Dado que en ocasiones puede ser complicado encontrar relés de 4 circuitos de bajo
voltaje, si hay disponibilidad de relés de dos circuitos, se puede sustituir el relé 4 circuitos por 2 reles en aralelo de dos circuitos simplemente conectando las bobinas de estos entre si y utilizando los circuitos adecuadamente.
Si además, tampoco se encuentran reles de baja tensión de excitación , la solución mas sencilla consiste en sustituir el portapilas de 4 pilas AA que nos entrega un tensión de 6V por otro sistema que nos entregue la tensión requerida para lA excitación de esos:por ejemplo una fuente sin estabilizar variable. Otra solución sería variar con delicadeza y suavidad la distancia entre el brazo y el entrehierro del relé de que dispongamos hasta que funcione correctamente en torno a unos 6 voltios.
Detalle de conexiones del Euroconector
| 1 |
Salida audio derecho |
| 2 |
Entrada audio derecho |
| 3 |
Salida audio izquierdo |
| 4 |
Masa de audio |
| 5 |
Masa del canal B . Masa de video. |
| 6 |
Entrada audio canal izquierdo. |
| 7 |
Entrada inf. B |
| 8 |
Entrada de video |
| 9 |
Masa del canal G |
| 10 |
Línea de interconexión invertida |
| 11 |
Entrada de información G |
| 12 |
Línea de interconexión directa |
| 13 |
Masa del canal R |
| 14 |
Masa de la línea de intercambio |
| 15 |
Entrada de información R |
| 16 |
Conmutación para RGB |
| 17 |
Masa de video |
| 18 |
Masa conmutación RGB |
| 19 |
Salida de video |
| 20 |
Entrada de video |
| 21 |
Masa del conector |
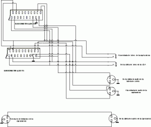
Esquema lado Ordenador (Modulo emisor)
Si el circuito Emisor era de simple construcción, este otro complementario no puede ser aún más sencillo:simplemente debemos conmutar una señal de vídeo y dos de audio (versión estereofónica) desde nuestro PC de forma eficiente, al mismo tiempo que debemos proporcionar una señal de mando conveniente para que el otro extremo se sincronice adecuadamente con la función que este haciendo este otro extremo.
Para realizar esta conmutación de señales con objeto de realizar el mínimo desembolso, hemos utilizado un simple conmutador universal rotativo de 4 circuitos que configuraremos para 2
posiciones (emisión y recepción): una para la señal de vídeo que deberemos conmutar entre la entrada de la capturadora y la salida de la SVGA, otras 2 stéreo) para la conmutación
entre la entrada de audio de la capturadora y la salida de audio de la tarjeta de sonido (esta última “duplicaremos” con un simple conversor de 1 jack de 3 ½” a dos jack de 3 ½”) y la última la emplearemos para el mando del relé en el lado receptor.
Tal y como se ha descrito en la parte receptora, también trasmitiremos la señal del receptor de mando de infrarrojos de la capturadora hasta nuestro TV de forma transparente.
Montaje
La forma de conectar este circuito básicamente gira en torno al conmutador, el cual una vez configurado para dos posiciones (simplemente colocando la arandela sobre al muesca de 2),
realizaremos las conexiones hacia los conectores apoyándonos en el esquema de conexiones
siguiente:
Realizadas las conexiones del conmutador a los conectores, montaremos el pequeño led (respetando la polaridad), sin olvidarnos de la resistencia limitadora (se puede usar un
pequeña placa de montaje cortada a la medida de ambos para facilitar la labor)
Por ultimo conectaremos el porta pilas soldando correctamente el negativo a la masa común y el positivo al conmutador .
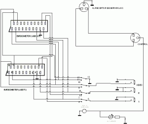
DIAGRAMA DE CONEXIONES
Una vez realizados ambos módulos emisor y receptor y salvada la distancia entre ambos a través de nuestra casa con un cable adecuado, llega el momento de conectar todos los elementos entre sí.
Para evitar confusiones rotularemos los cables procedentes del modulo emisor: in audio, in video, out audio , out video y mando.
De esta manera conectaremos:
·out audio a la salida de altavoces de nuestra tarjeta de sonido, por medio de un duplicador de jack de 3 ½ (una salida la emplearemos para los altavoces de que dispusiéramos y la otra ira a nuestro montaje)
· In audio ira a la entrada de audio de la capturadora de TV
· In video ira a la entrada de video compuesto de la capturadora de TV
· out video ira a la salida de TV de nuestra tarjeta de video SVGA
· mando lo conectaremos a la salida para el receptor de infrarrojos de nuestra tarjeta capturadora de TV
Realizadas las conexiones con nuestro PC , conectaremos los cables que vienen desde nuestro TV en el orden correcto, para lo cual etiquetaremos ambos extremos en todas sus conexiones: video, audio R, audio L y control.
En el otro extremo desconectemos el euroconector original que une el TV con el VCR y los reemplazaremos por nuestro montaje Receptor conectando la parte de la caja de este al euroconector del TV .
A este solo nos queda conectarle el cableado procedente del PC que igualmente habremos rotulado, el cual conectaremos con cuidado y siguiendo el orden correcto.
Por ultimo conectaremos nuestro receptor de infrarrojos de la capturadora de TV al jack correspondiente de la caja receptora y colocaremos la parte visible de este receptor en un punto que sea alcanzable visualmente desde donde vayamos a emplear el mando de nuestra capturadora.
Otras configuraciones posibles
Aunque en este articulo se describe el modo de enviar audio y video desde nuestro PC a nuestro TV con solo dos sencillos circuitos en ambos extremos, existen no obstante diferentes variantes para resolver el mismo problema: desde montar la solución al 100% presentada aquí, hasta realizarsolo alguna de las partes o por el contrario realizar una conexión directa (tal
y como hemos descrito anteriormente).
La cuestión importante es la funcionalidad requerida (si se requieren o no ambos sentidos de transmisión) y analizando el factor distancia sospesar todas las posibilidades, que a modo de colofón final pasamos a describir a continuación:
Un solo sentido de transmisión PC-TV
- Ver contenidos de PC en nuestro TV. Hay varias posibilidades:
-El montaje completo aunque solo utilicemos una funcionalidad: la de transmisión
al receptor . Situaremos el conmutador en posición de Enviar y no necesitaremos
alimentar al emisor.
-Montaje cableado desde video in ,l in , R in del Euroconector ( ver secciones anteriores) hasta la salida de audio de la tarjeta de sonido y la salida de video de la capturadora.
-Montaje estación emisora y conexión directa en el otro extremo al Euroconector: nos servirá para
simplificar el cableado del PC y al menos por el lado PC quedara preparado para utilizar los dos sentidos. Además el disponer de conectores comunes de audio y video puede ser muy interesante para otro usos que se nos ocurra (por ejemplo para conectar una pantalla de TV, etc.) Igualmente pondremos el conmutador del emisor en Enviar y obviamente y no necesitaremos alimentar al emisor.
- Sentido VCR/TVa TV PC, es decir para adquisición de video/audio a través de la capturadora
-El montaje completo aunque solo utilicemos una funcionalidad: la de recepción.
Situaremos el conmutador en posición de Recibir y necesitaremos alimentar al emisor
-Montaje cableado desde video out ,l out ,R out del Euroconector ( ver secciones anteriores) hasta las entrada de audio y video de la capturadora
-Montaje estación emisora y conexión directa en el otro extremo al Euroconector (desde
video out ,l out , R out):nos servirá para simplificar el cableado del PC y al menos por esta parte quedara preparado para utilizar los dos sentidos Además el disponer de conectores comunes de audio y video puede ser muy interesante para otro usos que se nos ocurra (por ejemplo para capturar de nuestra video cámara,) Como observación pondremos el conmutador del emisor en
Recibir y necesitaremos alimentar al emisor
Los dos sentidos de transmisión
PC<->TV
Hay varias opciones de construcción ( las cuales deberían relacionarse con la distancia entre el PC y la TV) ,las cuales pasamos a describir:
-El montaje completo : tal y como se ha expuesto para minimizar el impacto del cableado sobre nuestra vivienda siempre que se cuente con distancias moderadas
-Montaje cableado directo desde nuestro PC a nuestro TV: solución adecuada para distancias muy cortas por su gran simplicidad , aunque esto conllevará un cierta engorrosidad por el gran numero de cables presentes
Para su confección correcta léase el primer esquema que se presenta en paginas
anteriores
-Montaje estación emisora y conexión en la parte de TV a un conmutador manual ( u otro semejante a l de parte transmisora): Solución poco aconsejada que solo se recomienda en el caso de no poder adquirir el rele de 4 circuitos( ver texto en lista de componentes) Obviamente si no usamos el receptor tampoco tendemos que alimenta al emisor.



Las conexiones SCART de forma bidireccional usando un RELE


Esquema de conjunto ( observar que solo hay 4 hilos remotos entre E/R)
Listado de componentes
- 1 Rele de 6v, 4 circuitos ( RL –303 MOLGAR) (**)
- Un conmutador universal 2 posiciones 4 circuitos
- 1 porta pilas de 4 unidades tipo AA (***)
- 1 cable universal con dos Euroconectores
- 2 conectores RCA machos de diferentes colores
- 6 conectores RCA machos de diferentes colores (*)
- 6 conectores RCA hembras (*)
- 4 conectores tipo jack 3 ½” machos estéreo
- 3 conectores jack 3 ½” Stereo hembra de montaje
- 1 jack duplicador estéreo 3 ½” a 2 3 ½”
- 2 resistencias 1k2 ¼ W
- 2 Leds rojos
- 2 Portaleds
*- Tanto los 8 conectores RCA machos como los 8 RCA hembra pueden ser sustituidos por cualquier tipo de conector que se desee (siempre que soporten las 7 conexiones: video ,
R, L , control, mando y masa).Incluso si la instalación se prevé fija pueden ser reemplazados por dos sencillas fichas de empalme (de las utilizadas en electricidad)
** Si hay imposibilidad de encontrar este rele podemos probar con otro rele de mayor tensión de excitación (siempre que no se dispare en precio o en volumen) o también existe la posibilidad de conectar dos reles de dos circuitos en paralelo( para obtener los 4 circuitos) : uniendo simplemente las dos bobinas entre si, y utilizando cada uno de los circuitos tal y como se propone para un solo rele
*** Si se desea se puede alimentar el circuito en lugar de 4 pilas de 1,5 con un simple alimentador no estabilizado de 50mA o mas . También otra solución económica es conseguir la tensión de alimentación del propio PC a través de un derivador del teclado o ratón tipo PS1 :obtendremos de esta forma una tensión de unos 5v estabilizados , pero! ponga atención en
manipular esta tensión pues puede dañar la placa madre!
Problemas mas comunes:
No consigo ver la salida del PC en la TV por la entrada del euroconector
– Es posible que su televisor no acepte la entrada de vídeo por euroconector a menos que esté también conectado el pin o patilla 8, que tiene diversos nombres: Estado de CVBS
Tensión de conmutación ,Conmutación AV/TV, etc
Algunos televisores, como por ejemplo el Panasonic TX-14B3TC, no dejan pasar la señal de video por su entrada scart o de euroconector, a menos que el pin o patilla 8 esté activado (+12 V.).
Si la TV está conectada a un grabador de vídeo, es la salida scart del grabador la que se encarga de suministrar esa tensión de 12 Voltios (cuando está en la función play, al menos).
En el caso del televisor mencionado, esta funcionalidad no debería ser problema, ya que está provisto de una entrada frontal alternativa de RCA de audio y video, que no debe necesitar señal de conmutación.
Los televisores que tienen únicamente entrada scart o de euroconector no suelen requerir tensión de conmutación, en previsión de que algunos dispositivos (por ejemplo, un PC) no la suministren.
No obstante, puede darse algún caso que no deje alternativa. Si tiene algún indicio claro de que te ocurre esto, póngase en contacto directamente con el fabricante o distribuidor, y realícele la consulta con todos los datos de que disponga, para corroborar si efectivamente su modelo de TV funciona así
Una vez conectados los cables ¿hay que hacer algo más?
– Si usamos la SALIDA del ordenador hacia la ENTRADA del vídeo/TV hemos de activar la salida de TV de la tarjeta de vídeo/capturadora. En muchos casos, para poder activar esta salida
es necesario que el aparato de destino esté conectado y encendido, de modo que el cable de señal o de lo contrario la tarjeta piensa que todavía no está conectada. De ser necesario, ajustaremos el volúmen general para adecuarlo a nuestras necesidades. Se recomienda usar Windows Media 6.4 o superiorv para las reproducciones por consumir muy pocos recursos y por que hace desaparecer el ratón a los pocos segundos de dejar de moverlo a pantalla completa. Windows XP no lo muestra por defecto, pero lo puedes encontrar aquí. C:\Archivos de programa\Windows Media Player\mplayer2.exe
– Si capturamos enviando la SALIDA del vídeo/cámara a la ENTRADA de la
capturadora hemos de asegurarnos de que le estamos indicando al programa de captura que «vea» y «escuche» en el lugar correcto. En el caso de una sintonizadora habrá que decirle al programa de captura si el vídeo le viene por la conexión SVHS, RCA o RF (SVHS o RCA para otras capturadoras) y en cuanto al sonido hemos de comprobar dos cosas:
1. Que en el caso de tener activas más de una tarjeta de sonido le hemos indicado a Windows que use para grabar la tarjeta a la que hemos conectado el cable de audio. Pulse con el
DERECHO en el icono del altavoz junto al reloj de windows y luego en «Ajustar las propiedades del audio»,en el apartado «Audio» se define qué tarjeta se usa para reproducir y cuál para grabar.
2. Que en el panel de control de volumen está seleccionada, y no silenciada, la entrada que queremos grabar .A la hora de escuchar, se pueden oír simultáneamente diversas fuentes de audio como entrada en línea, micro, sonidos del sistema, etc. Sin embargo a la hora de grabar hemos de elegir UN ÚNICO disposivo. Hemos de comprobar:
A. Que la entrada de audio usada NO está silenciada ->Pulse dos veces sobre el icono del altavoz y compruebe que la entrada de línea,por ejemplo si es que captura el audio por ahí, aparece y además NO está silenciada. Si no aparece, vaya a «Opciones -> Propiedades» y marca la casilla correspondiente .Por ultimo asegúrese de que en «Dispositivo mezclador» está seleccionada la tarjeta correcta en caso de tener más de una.
B. Que la entrada de audio elegida (entrada de línea, por ejemplo) está seleccionada como entrada de grabación. Vaya a Opciones -> Propiedades -> grabación»
Ya tengo todo preparado y listo para funcionar, pero no logro ver nada en la televisión. ¿Qué ocurre?
Para poder ver la imagen en la televisión, primero debe activar la salida de TV-out de su tarjeta de video. Bajo Windows, normalmente eso se hacer desde las Propiedades de Pantalla->Configuración->Opciones Avanzadas. Además, los controladores nativos de Windows, no suelen tener soporte para la TV-out.
Lo mejor es que siempre tenga instalados los últimos controladores disponibles para su tarjeta de video, que podrás descargar desde la pagina web del fabricante de la tarjeta de video.
Esta activado la TV-out, pero sigo sin ver la imagen en la televisión.
Recuerde que la imagen llega por el Euro conector, así que debe poner el canal apropiado de su televisión (normalmente se llama EXT o AV).
¿Puedo grabar en una cinta de vídeo la imagen del escritorio?
Por supuesto, es exactamente lo mismo que grabar de su decodificador de satélite o de la cámara de video (pero lógicamente estos estarán apagados pues le inyectaremos un señal externa) ,Bastara con disponer del dispositivo que en este articulo proponemos en modo “transmisión” , es decir la salida de TV-Out y la de tarjeta de sonido se envían a la entrada de euroconector del video.
Mi televisión no tiene Euroconector. ¿Puedo conectar la TV-Out de otra forma?
Si tiene un video junto a esa televisión, puede usar el Euroconector del video para conectar la TV-Out de la tarjeta de video, y luego usar la salida de cable coaxial del video para conectarlo a la
televisión.
Ya tengo todo funcionando correctamente, pero en la televisión se ven unos bordes negros. ¿Puedo evitarlos?
Pues eso ya depende de su tarjeta de video. La propia ventana de configuración de la TV-Out de su tarjeta de video puede tener la opción de hacer más grande o más pequeña la imagen. Jugando con esta opción, puede minimizar el tamaño de esos bordes negros.
Si su tarjeta de video lleva un chip de nVidia, prueba a usar el TVTool, que arregla este problema.
Tengo todo perfectamente conectado, pero la imagen que obtengo en al televisión
está en blanco y negro ¿Qué he hecho mal?
Asegúrate que has seleccionado el sistema de video PAL o PAL.-B, que es el que se usa en
España.
Veo perfectamente el escritorio en al televisión, pero cuando pongo una película, solo veo la pantalla en negro.
Seguramente tengas activado el modo overlay en su reproductor de video. Desactive esta opción y muy probablemente puedas ver sin problemas la película en su televisión.
Me da error al grabar en la capturadora .
Errores de «Kernel provocó un error…», «XXX provocó un error..» o «Cannot Record» pueden ser debidos al intentar grabar, debido a diversas causas:
– Si está usando los drivers WDM que le permiten grabar en MPEG puede que necesite más potencia pues los requisitos mínimos de sistema son de un Pentium III a 450 Mhz. con 128
Mb RAM. Incluso puede que le permita grabar en MPEG I perfectamente pero le ocurra este fallo al intentar grabar con más calidad, mejor resolución o en formato MPEG II .
– Otra causa puede ser una incorrecta instalación de los drivers o fallo de la aplicación, por lo que se le aconseja la desinstalación de los anteriores drivers y aplicación y luego su
reinstalación (mire en las FAQ’s en la pagina web del fabricante de su tarjeta para las ayudas en la desinstalación y reinstalación)
– Otra posible solución si usa Windows 95/98/98SE/ME/2000 y tiene la posibilidad de instalar el FILTERSDK es ejecutar este programa.
– También puede probar a reinstalar el Sistema Operativo desde el principio y tener así el sistema «limpio» para realizar estas pruebas, por si fuera el propio Windows el que creara estos
problemas.
No se graba la imagen en la capturadora , pero si que escucho el sonido.
Cuando al reproducir el vídeo que ha grabado no observa imagen pero si que escucha sonido, puede deberse a diversas causas:
– Si está usando los drivers WDM que le permiten grabar en MPEG puede que necesite más potencia pues los requisitos mínimos de sistema son de un Pentium III a 450 Mhz. con 128 Mb
RAM. Incluso puede que le permita grabar en MPEG I perfectamente pero le ocurra este fallo al intentar grabar con más calidad, mejor resolución o en formato MPEG II
-Otra causa puede ser una incorrecta instalación de los drivers o fallo de la aplicación, por lo que se le recomienda la desinstalación de los anteriores drivers y aplicación y luego su
reinstalación
– Otra posible solución si usa Windows 95/98/98SE/ME/2000 y tiene la posibilidad de instalar el FILTERSDK es ejecutar este programa.
-También puede probar a reinstalar el Sistema Operativo desde el principio y tener así el sistema «limpio»para realizar estas pruebas, por si fuera el propio Windows el que creara estos
problemas.
No se oye el sonido de mi tarjeta TV.
– Asegúrese de tener conectado la salida AUDIO OUT de su tarjeta capturadora a la entrada AUDIO IN de su tarjeta de sonido mediante el latiguillo que se incluye. Si está usando una
fuente de video distinta a la Antena RF, deberá suministrarle la correspondiente señal de sonido a la capturadora mediante su toma AUDIO IN.
– Si está todo lo anterior correctamente conectado y sigue sin oirse nada, puede probar a conectar unos auriculares a la salida AUDIO OUT de su capturadora, y comprobar si
llega señal:
-Si a través de ellos todo suena bien, el problema estará en su tarjeta de sonido.
-Si en cambio, no llega sonido a los auriculares, vuelva a conectarlo como estaba antes. Para
resolver este problema, deberá abrir el control de volumen de Windows y
seleccionar la entrada de audio correcta
Cómo puedo grabar en mpg?
Los drivers VXD le permiten grabar en .avi y fueron diseñados para sistemas operativos win9x. Los nuevos drivers WDM graban en mpg y son propios de Win2000 y Win XP. Por defecto en la
instalación de los drivers para W9x se instalan los vxd (puede reconocerlo porque en el administrador de dispositivos aparecen sólo 2 dentro del apartado de «dispositivos de sonido, vídeo y juegos»). Pero puede cambiarlos por wdm y aprovechar las posibilidades de su tarjeta. De este modo tiene que desinstalar primero la aplicación AVerTV de su sistema y seguidamente desinstalar los drivers
By Carlos Rodriguez Navarro

Deja un comentario