Circuitos de telefonicos de llamada
Introduccion
El uso de circuitos telefónicos siempre es interesante, porque los teléfonos están por todas partes y bastante a menudo puede encontar un viejo teléfono en desuso alrededor en algún sitio. Aquellos teléfonos pueden ser usados para muchos experimentos muy utiles incluyendo el pequeño intercomunicador de casa: conecte dos teléfonos en serie o en paralelo y aliméntelescon la corriente conveniente de funcionamiento (aproximadamente 20 mA) . El más problemático al experimentador de casa es como conseguir la corriente de llamada porque el voltaje que suena es sobre 50V y no en la frecuencia de red eléctrica estándar (50/60Hz). A veces usted necesitaria conseguir información de un teléfono qeu esta sonando. Este texto trata de limpiar aquellos problemas.
Señal de llamada
La Compañía telefónica envía una señal que es una forma de onda de corriente alterna. Aunque la frecuencia común usada en los Estados Unidos sea 20 HZ y en Europa es típicamente 25 Hz, esto puede ser cualquier frecuencia entre 15 y 68 Hz. La mayor parte del mundo usa frecuencias entre 20 y 40 Hz. El voltaje al final depende de la longitud de lazo y el número de timbres conectados a la línea; podría estar entre 40 y 150 voltios. La cadencia varía segun su compañia de telefonos.
El metodo habitual es de alimentar la 75 V a.c. el toque de la corriente (apoyado por la tierra) abajo un cable de la línea telefónica. Sobre otro cable es colocado un relevo aporreado (o el equivalente) que es apoyado por-48v d.c. Cuando usted descuelga el teléfono, el relevo maneja al lazo d.c. la corriente y viajes la corriente que suena. Esto también provoca un remoto dispositivo para poner el puente de transmisión en el circuito para permitir al discurso ocurrir, juntos con la supervisión de la llamada y lazos llamados. El ralay tiene que ser un relevo aporreado para prevenir el viaje prematuro de toque por el a.c. la corriente que suena.
En el voltaje estadounidense mínimo de toque suministrado es 40Vrms (entregado en una 5 carga de NUEVA N). Esto es el debe descubrir el límite. Hay también un mínimo no debe hacer caso del valor de 10Vrms. Milage sobre la voluntad del PBX individual varían enormemente. Pero la mayor parte de garantía para entregar 40Vrms en una 3 a 5 carga de NUEVA N.
Cuando la señal telefónica de toque es senador al teléfono, el voltaje de toque no es aplicado constanly a la línea. El engranaje de distribución Típicamente de toque es 2 segundos sobre y 4 segundos de en EU. En el engranaje de distribución británico de toque va .4 seg.s sobre.2 seg.s de.4 seg.s sobre, 2 seg.s de entonces repeticiones. En otros países el toque(anillo) timign cna varía del país al país (aún del operador al operador) y usted debería comprobar las regulaciones locales si usted quiere llegar a conocer el engranaje de distribución de señal real de toque en el empleo. Para más información, compruebe el artículo de Teléfonos Comprensivo por Julian Macassey en http: // http://www.egyed.com/phonework.html y asigne documentos BellCore.
¿Que significa REN ?
La NUEVA N significa(aguanta,apoya) el Número de timbre Equivalente. Esto es un medida de como mugh que toca el poder el cierto equipo telefónico toma. Los números de NUEVA N son usados en EE.UU. para determinar cuantos equipos telephoen usted puede unir(conectar) a la misma línea telefónica y todavía conseguirlos tocando correctamente (la línea típica puede conducir aproximadamente 3-5 carga de NUEVA N). La definición de 1 NUEVA N es el poder de timbre requerido por un timbre de un estándar AT*T 500 aparato de abonado de serie en la configuración de partido único (el timbre colocado A TRAVÉS de la línea). Un lugar para encontrar la información exacta: consiga una copia de 47CFR la Parte 68 – esto es la FCC especificaciones técnicas (y otra información) en cuanto al PSTN (el público la red cambiada telefónica). Esta información también puede estar disponible del sitio web de la FCC.
El tono de llamada
El tono de llamada es el toque que puede ser oído mientras el receptor es sobre gancho y alguien trata de llamarle. Los términos(las condiciones) usados para describir este toque de teléfono son no el período siempre muy claro que ellos significan(piensan), porque el mismo término ha sido usado en sitios de differnet significar(pensar) cosas diferentes. La Q 9 de ITU-T indica que el término preferido es «el tono de llamada», pero que » ringback el tono » es usado en los EE.UU.. De otra parte, Bellcore (y el viejo Sistema de Campana), usado » tono de llamada audible » en muchos de sus documentos. En 5ESS la documentación de interruptor (según algunos artículos de noticias), RINGBACK es usada sólo describir varios caminos (otro que una llamada de finalización normal) por el cual el teléfono de un suscriptor puede ser tocado. Por lo general la gente dice «ringback» en el lugar «de tono de llamada».
Señal distintaiva de llamada
El toque distintivo es un sistema donde el modelo de tono de llamada diferente puede la cosa tel diferente sobre las llamadas telefónicas. Usos típicos son PBXS donde usted puede identificarse si la llamada es de dentro de buildign o de fuera por el modelo hgearing diferente de toque. Aother usos son cuando múltiples números de teléfono son asignados a una línea física y el modelo de rign cuenta que han llamado el número de ellos. El Toque Distintivo y la Llamada Esperando el modelo y el empleo de engranaje de distribución en EE.UU. son cubiertos en GR-506-CORE. El empleo de múltiple modelo para identificar el partido(la parte) LLAMADO (múltiple DNS por línea) es cubierto en LSSGR básico (GR-505 y GR-506 en particular), en la capacidad de asignar el modelo que suena a números y a servicios Centrex. ANSI T1.401 identifica algunas otras exigencias para el toque distintivo que implica a portadores intercambio. «.
Cableado Normal
1 2 3 a-wire 4 b-wire 5 6
Un y cables de B hacen el par que llaman por teléfono usado. Tipicament los conecrtores ussados en el teléfono tienen sólo 2 o 4 hilos instalados. Hiloss normalmente no usados son usados para alambrar más que una línea al mismo conector o para algunos usos especiales. Hay también muchos otros tipos de conectores de línea telefónica en el empleo, pero hoy día este conector modular es el más común en el equipamiento del terminal telefónico como teléfonos inalambricos, módems y máquinas de FAX.
Tipicos tipos de timbres
El circuito de timbre más clásico telefónico es una campana mecánica controlada por un rollo electrónico. El circut consiste en el rollo de campana y un condensador (por lo general 470 nF a 2 uF nominales para 250V o más) en serie con ello. Este circuito es unido(conectado) en la paralela a otra electrónica telefónica. El condensador en el circuito para la corriente continua en pasar por el rollo de campana, pero esto deja al voltaje de toque por fácilmente. A causa de la naturaleza mecánica del circuito de toque, es muy sensible a la frecuencia de voltaje de toque y otro que la frecuencia de resonancia del sistema de campana (por lo general alrededor de 20-25 Hz) no genera el toque(anillo) satisfactorio. El rollo tiene por lo general tan la alta impedancia que esto no molesta la operación de circuito telefónica de audio cuando el teléfono es fuera de gancho. Otro possiblity es que el circuito de toque es desconectado cuando el teléfono es escogido fuera de gancho.
Timbres electronicos
El timbre da la vuelta en los teléfonos modernos tienen la misma idea básica, pero el rollo la campana controlada es substituida por la viruta(el chip) de toque moderna electrónica y el pequeño altavoz(orador). El condensador todavía es usado en serie con el toque(anillo) IC la entrada para hacer sólo la corriente alterna pasa a la viruta(al chip) de toque. El toque electrónico da la vuelta no son sensible al voltaje que suena y ellos fácilmente suenan con frecuencias de señal de toque entre 16 Hz y 60 Hz.
Circuitos de deteccion de llamada en los modems
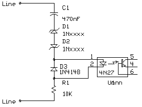
En módems de ordenador la señal lógica del toque es necesaria en vez del tono de llamada. El circuito de toque debe pasar la información de señal de toque a la electrónica de módem y todavía proporcionar el aislamiento eléctrico entre la electrónica de módem y la línea telefónica. Esta detección de toque por lo general es hecha usando un circuito optoisolator, que sustituye el circuito de toque(anillo) de raditional. La salida optoisolator fácilmente puede ser unida(conectada) la electrónica digital, pero el lado de entrada de optoisolator necesita más electrónica: un condensador para dejar a la corriente continua para pasar por optoisolator, una resistencia para limitar el cirrent que pasa optoisolator CONDUCIDO y un revés conencted el diodo en la paralela con optoisolator CONDUJO a impedir a voltajes negativos dañar el CONDUCIDO. Esto es el circuito de detección básico de toque.
Por lo general hay también dos diodos zener (modelos por lo general 10-20V) para asegurarse que el circuito de detección de toque no descubre demasiado pequeñas señales de corriente alterna en la línea como la señal de toque. En el cuadro(la imagen) debajo de usted mirar un circuito de detector muy típico de toque para módems. El circuito solamente(justo) da la idea como el módem toca el trabajo de circuito de detector. La selección de valores real componente componente debe ser de modo que el circuito encuentre las regulaciones nacionales telefónicas (esto por lo general fácilmente puede ser hecho por usando diodos convenientes zener y tal vez arriesgando la resistencia valoran un poco
Lista componentes:
C1 470 nF 250V corriente alterna
R1 10 kohm 1W D1,
D2 diodo 10-20V zener (cualquier valor en esta gama), 400 poder de mW que tasa
D3 1N4148 diodo o equivalente
U1 4N27 optoisolator o similar
NOTA: Usted puede conseguir el trabajo de circuito por sacando D1 y D2 y substituyéndolos con un cortocircuito. Los trabajos de circuito después entonces, pero es posible que en este caso algún ruido de voltaje bajo sobre la línea pueda hacer que el circuito suene. Países diferentes tienen datos específicos diferentes sobre como voltajes bajos no deberían hacer que un teléfono suene en absoluto. PS. Si le interdescansan en la utilización theis cirucit como la base para controlar algún alto poder cirucitry mira a http: // http://www.aaroncake.net/circuits/pflash.htm para un ejemplo de circuito como conducir un relevo cuando el toque(anillo) es descubierto.
Otro apprach para el descubrimiento de toque(anillo) debe usar un circuito de rectificador de onda(ola) lleno para convertir la señal de signo de corriente alterna a la corriente continua conveniente para optoisolator y luego poner la corriente la resistencia restrictiva y el diodo zener a la salida de rectificador.
Lista de componentes:
C1 470 nF 250V la corriente alterna
R1 10 kohm 1W
D1 el diodo 10-20V zener (cualquier valor en esta gama), 400 poder de mW que tasa
RECT1 Rectivifier acorta 200V el voltaje ratign, al menos 0.1 corriente que tasa
U1 4N27 o CNY17 optoisolator
Otras ideas para detectar la señal de llamada…
Una idea al cual proponen en muchas fuentes es de usar el pequeño bulbo de neón (como aquellos usados como luces en algunos interruptores de red eléctrica) para descubrir la señal de toque. El circcuit propuesto debe unir(conectar) un bulbo de neón y 47kohm resistencias en serie y unir(conectar) esto a la línea telefónica. El bulbo de neón tiene sobre 60V el voltaje de gatillo para comenzar a conducir, tan el estándar 48V el voltaje de batería telefónico no lo alumbra(enciende). Cuando la señal de toque(anillo) de corriente alterna es añadida a aquel voltaje, el voltaje es bastante para alumbrar(encender) el bulbo de neón. El bulbo de neón puede ser usado como el indicador visual o la electrónica pueden sentirlo con la fotoresistencia LDR o el fototransistor.
Si usted no quiere construir su propio circuito del bulbo de neón y la resistencia, hay una solución aún más fácil debe bajar(disminuir) a la ferretería y conseguir a un probador «de coleta». Esto tiene dos agradable conduce esto uno normalmente empuja en la salida de la pared para probar para el voltaje. Alámbrelo en cambio a la línea telefónica. Esto salva(ahorra) la molestia de tentativa de encontrar el contenedor para la lámpara de neón, y la resistencia (que es MUY NECESARIO, le aseguro).
Un módem esquemático he visto usado el método bastante especial para descubrir señales que suenan: Esto tenía un pequeño condensador en la paralela con contactos de relevo de control de on-hook/off-hook. Este condensador deja a alguna pequeña parte del sonido y señales de toque pasan al transformador telefónico. De este modo aquellas señales de toque pueden ser descubiertas como pequeños pulsos de señal en el transformador secundario (y este circuito también puede ser usado para la detección de señal de Identificación del que llama). El condensador era tan pequeño que la impedancia vista de la línea telefónica se queda bastante alto para no molestar otros equipos en la misma línea telefónica cuando el módem no es ningún en línea
Sobre regulaciones internacionales sonbre los timbres telefonicos
Especificaciones de equipo de terminal de línea telefónica europeas NET4 definen las especificaciones siguientes para el telephoen el circuito de detector que suena.
- La impedancia en la frecuencia de voz(voto) (200-3400 Hz) debe ser mayor que 10 kohm cuando medido con 0.5V RMS la señal de audio la corriente tomada por el timbre debe ser igual o menos de 5 mA en 35 voltaje de toque(anillo) de V e igual o ledd que 10.7 mA en 75V el voltaje de toque
- El measurments es hecho usando 25 Hz tocan la corriente frequnecy.
- El detector de toque debe trabajar sobre la señal de toque que es la corriente continua 44-58V sumada con 25 +-3Hz la señal de toque(anillo) de corriente alterna en el voltaje recorre 35-75 V.
- La resistencia alimenticia para el generador de toque es 800-1710 Hz.
- El detector de toque no debe descubrir la señal de toque que es la corriente continua 44-58V sumada con la señal de toque(anillo) de corriente alterna de 20-3400 Hz que es menos de 10 V.
- La resistencia alimenticia para el generador de toque es 800-1710 Hz.
Si el equipo automáticamente responde el equipo debe esperar al menos 1s de la detección de toque hasta que esto se marche – el gancho.
Telephone ringer classification
En regulaciones de FCC estadounidenses necesitan el tipo de timbre para ser especificado sobre el dispositivo. Los tipos posibles son Clasifican un y la B de Clase. Los timbres de B de clase responderán a las frecuencias que suenan de entre 17 y 68 Hertz mientras Clasifican a los timbres responderá a betwwen 16 y 33 Hertz. Clasifique los dispositivos son aquellos viejas campanas típicas telefónicas y prácticamente todos los timbres electrónicos son el tipo de B. Casi todos los dispositivos hechos unirse a las líneas telefónicas hoy son del tipo de B de Clase. El timbre telefónico escribe sobre su dispositivo (si usted vive en EE.UU.) es imprimido sobre la etiqueta adhesiva de FCC sobre el inferior con un número de NUEVA N sobre ello. Usted verá algo como .9B (= la NUEVA N 0.9 Clase B) o 1.0A (= la NUEVA N 1.0 Clase A).
Como hacer que el telefono suene
Las ideas siguientes son simples da la vuelta, que genera el voltaje que suena en la frecuencia de red eléctrica (50 o 60Hz dependiendo(según) el país). Ellos tocarán teléfonos modernos muy bien, pero el sonido de rign no podría ser en realidad el mismo como con el derecho que toca la señal. Si no es un problema, luego continuar. La señal de toque en 50 o 60 Hz no trabaja con los viejos teléfonos que tienen campanas mecánicas en ellos.
Direct connection to mains
Han propuesto a este acercamiento muchas veces en grupos de discusión rec.theatre.stagescraft pero fuerte sugiero para no usarlo. El voltaje de red eléctrica (120V la corriente alterna 60Hz) usado en EE.UU. hace el toque(anillo) de teléfonos moderno, pero es peligroso hacer la conexión directa al voltaje de red eléctrica. Y si usted no usa ningún tipo de limitación de corriente, el teléfono causará el cortocircuito peligroso cuando es recogido. El teléfono destruirá y sacará el humo
50/60Hz ring voltage generated from mains voltage
Si usted quiere usar el circuito muy simple para el toque, yo sugeriría la combinación siguiente: un pequeño adaptador de corriente alterna listo hecho que saca la corriente alterna y un pequeño transformador unido(conectado) a ello. Si usted usa la combinación conveniente tranformer, usted conseguirá el voltaje de corriente alterna agradable 70-90V en usted la frecuencia de voltaje de red eléctrica (50 o 60 Hz). El adaptador listo hecho de la pared proveerá proporcionan el aislamiento del voltaje de red eléctrica y también limitan la corriente en la situación de cortocircuito.
Comination conveniente por ejemplo es el adaptador de la pared que salidas la corriente alterna 8-9V en 200-500 mA unidos(conectados) al transformador que tiene 120V primario, 12V secundario y el poder que maneja la capacidad de pocos vatios. El adaptador de la pared es unido(conectado) al transformador 12V secundario por un botón. Cuando el botón es presionado, hay sobre la corriente alterna 70-90V disponible en la cuerda(curva) primaria del transformador. Para la corriente que lo limita es una idea buena de poner 1 kohm 3W la resistencia en serie con el transformador secundario. Si usted no puede encontrar el transformador dije antes, remeber que muchos transformadores con 220V la cuerda(curva) primaria tiene la conexión de llave de centro para 110V el alambrado de voltaje. Y si no hay el centro dio un toque 220V el transformador, usted siempre puede usar 220V a 24V el transformador. Si su transformador de la pared tiene la posición diferente, la escala los valores del transformador según esto. Los valores componentes en este circuito no son críticos, pero tienen presente que el voltaje del transformador secundario debe ser el rallador thatn el voltaje de salida del adaptador de la pared.
Y para su seguridad, construya este circuito a una caja buena en la cual usted tiene el conector telefónico sobre un lado. Y tenga cuidado con el circuito para no ser sobresaltado porque el voltaje de toque(anillo) de 50/60Hz es más peligroso que lo normal tocan el voltaje.
Metodoss para generar una buen tensión de timbre
Modulo de tiembre
El modo más fácil de conseguir verdadero módulo de toque. Aquellas unidades están disponibles de algunas empresas que hacen convertidores de CORRIENTE continua/CORRIENTE CONTINUA para la industria de telecomunicación. Migh no ser el componente más fácil para ponerse.
Amplificador de linea de 70V
El voltaje de salida de amplificadores PA diseñados para conducir 70V a altavoces(oradores) de sistema de altavoz(orador) tiene bastante voltaje de salida y poder para tocar teléfonos. Si usted tiene viejos este tipo de amplificador que miente(está) en algún sitio, usted puede unir(conectar) la entrada de amplificador al generador fuction y la salida para llamar por teléfono por 1 kohm 3W la resistencia. Cuando usted pone el generador de función generar la onda(ola) de seno en 20-25 Hz en el nivel conveniente para el amplificador, usted tiene un generador de toque(anillo) de nivel ajustable. Por lo general aquellos amplificadores no están bien en el juego de frecuencias traseras debajo de 50 Hz, entonces usted debería intentar frecuencias más altas si esto no trabaja como esperado.
Amplificador de audio y trasnformador
El generador de toque(anillo) de amplitud muy agradable variable puede ser construido del amplificador de audio diseñado para driwing 4 o altavoces(u oradores) de 8 ohmios y tener el poder de salida de 3W o más, 10 ohmios 10 resistencia de W, 220V a 12V el transformador (pocos vatios), 1000 ohmios 3W el generador de función y la resistencia.
___________ 10 ohm 1000 ohm
| |----/\/\/\--+ ||(---/\/\/\---
| | | ||(
Sinewave----| Amplifier | )||( Ring voltage out
| | | ||(
|___________|------------+ ||(------------
Transformer
12V:220V
El circuito es fácil para construir. Una(conecte) la resistencia de 10 ohmios en serie con la cuerda(curva) secundaria del transformador y la resistencia de 1000 ohmios en serie con la cuerda(curva) primaria. Una(conecte) el lado primario tortuoso del transformador a la salida de altavoz(orador) del amplificador. Una(conecte) el teléfono al lado secundario. Las resistencias están en el circuito para limitar la corriente y guardar(mantener) la impedancia bastante alta para el amplificador. Cuando usted ha hecho esto, le une(conecta) el generador de función a la entrada del amplificador y lo pone generar la onda(ola) de seno de 20-25 Hz en el nivel conveniente para la entrada del amplificador. Baje(rechace) el volumen del amplifer. Conecte el amplificador. Dé vuelta el volumen hasta usted oye el teléfono que suena bien. Usted puede comprobar el voltaje que suena con el multimetro si usted la tina para hacerlo al nivel exactamente derecho.
Circuito modificado de potencia tipo inverter
Es posible hacer 17 – 25Hz a.c. de d.c. Un multivibrador simple lo hará. Usted entonces necesita un transistor de poder o similar para dar la salida alta corriente. Un circuito conveniente puede ser modificado del circuito de inversor de poder típico por cambiando los componentes de engranaje de distribución para hacer la frecuencia a la gama de 20-25 Hz. Entonces el transformador tiene que ser seleccionado de modo que esto empareje este uso (para 12V la operación toma una red eléctrica dada un toque por centro 60V (30+30V) secundario y 230V primario).
El teléfono normal que toca la señal que la oficina central envía no es normalmente contirnuous la señal, pero sigue algún modelo. El modelo podría ser 2 segundos por ejemplo de toque sobre, cuatro segundos de y luego otra vez 2 segundos sobre, 4 segundo de etc… El modelo usado puede variar algo del país al país. Si usted quiere generar esta clase de modelo usted necesita un circuito de temporizador que genera 2 segundos sobre y 4 secodns de la señal de salida de tipo. Aquella señal entonces es usada controlar un relevo que cambia el poder de la fuente de poder que va a llamar por teléfono y de. Un 555 temporizador y un relevo amablemente pueden hacer esto. Básicamente usted toma 555 temporizador en el modo normal astable y luego selecciona el valor fo dos resistencias y un condensador. Entonces una(conecte) el relevo a 555 salida, y esto debería hacerlo.
Destellador luminoso para Telefono
Hay situaciones donde un monton de ruido hace imposible oir el sonido del telefono, para estos ambientes ,este circuito podria ser util.
Realmente el circuito es bastante sencillo ya que consta de un pequeño limitador formado por C1,D2,D3 y R1, el cual alimenta a U1 (que esta optoaislado del resto del circuito).
Cuando es iluminado U1, la tension de la union entre 5 y 4 de este provoca la conducion de Q1, el cual hara que se cierre el rele.
Esquema
Componentes:
| Part |
Total Qty. |
Description |
Substitutions |
| C1 | 1 | 0.47uF 250V Condensador | |
| R1, R2 | 2 | 10K Resistencia1/4 W | |
| R3 | 1 | 1K Resistencia1/4 W | |
| D1, D2 | 2 | 20V 1/4W Diodo Zenner | |
| D3 | 1 | 1N4148 Diodo | |
| Q1 | 1 | 2N3904 NPN Transistor | 2N2222 |
| U1 | 1 | 4N27 optoacoplador | |
| RELAY | 1 | rele | |
| MISC | 1 | placa,cables,etc |
Notas:
- Podria ser necesario un diodo zener de mayor voltaje para D1 y D2.
- Se puede usar un simple rele electromecanico en lugar de un rele de estado solido,pero el arco a trave s de los contactos pueden disminuuir considerablemente la vida de este
- Asegurese de que no esta conectado a la red cuando esta instalando o montando el circuito.



Deja un comentario