Es muy habitual en nuestros circuitos basados en Arduino o Netduino usar sensores magnéticos o mecánicos, sensores de luz (fotoeléctricos), sensores de ruido, sensores térmicos y de humedad ,e incluso sensores de movimiento.
A todo este conjunto de sensores sin duda no podíamos olvida un tipo de sensor que no esta muy extendido, pero que nos puede salvar la vida: en efecto hablamos de los detectores de gases y de humo
Afortunadamente con la miniaturización y la espectacular bajada de precios de los componentes , podemos conseguir módulos muy completos por muy bajo precio con muchísimas posibilidades que hasta hace poco tenúan un coste muy elevado si necesitamos detección compleja de gases mas allá de los típicos sensores de humo basados en interrumpir una barrera de luz infrarroja con el humo
Como ejemplo de un sensor de gases y humo avanzado con alimentación única de 5V DC y de bajo precio podemos destacar el módulo SODIAL(R) basado en el módulo MQ-4, el cual es un detector de Humo pero también un detectar de gas Metano, Propano e Hidrógeno
Este detector de medidas mas reducidas de 32X22X27mm esta basado en el circuito MQ-4 y se puede alimentar con 5v DC directamente desde la salida de +5V de Arduino o Netduino .
Como gran novedad cuenta con un modo dual de salida , es decir,por un lado cuenta con una salida de señal analógica que sera proporcional a la señal detectada ( sensibilidad de nivel TTL) que de usarla la conectaremos a una entrada analógica de nuestro Arduino y Netduino ,y luego por otro lado una señal binaria para indicar presencia de GLP, el gas, el alcohol, el hidrógeno y mas, que obviamente también conectaremos a una entrada digital de nuestro Arduino o Nerduino
Gracias a la miniaturización se consigue una rápida respuesta y recuperación con buena estabilidad y larga vida util. Este tipo de sensores por tanto es ideal para detección de fugas de gas en casa o fabrica usándose e para la detección de Gas combustible como el GLP, butano, metano, alcohol, propano, hidrógeno, humo, etc.
El circuito cuenta con un led interno que indica presencia de humo y una resistencia de calibración que viene ya seleccionada
Veamos algunos detalle del módulo de sensor MQ-4 que utiliza el módulo de Sodial descrito
CARACTERÍSTICAS
* Alta sensibilidad a CH4, gas natural.
* Pequeño sensibilidad al alcohol, el humo.
* Respuesta rápida. * Vida estable y de largo * circuito de accionamiento simple
APLICACIÓN
Como hemos visto se utilizan en la detección de fugas de gas equipos en la familia y la industria, son adecuados para la detección de CH4, Natural gas.LNG, evitar el ruido de los vapores de alcohol y de cocina y el humo del cigarrillo.
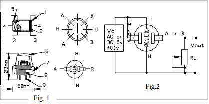
Estructura y configuración de MQ-4 sensor de gas se muestra como la figura. 1 (configuración A o B), sensor compuesto por tubo de cerámica micro AL2O3, Estaño Dióxido (SnO2) capa sensible, electrodo de medición y el calentador se fijan en un corteza hecha por red de acero de plástico y acero. El calentador ofrece condiciones de trabajo necesarias para el trabajo de componentes sensibles.
El MQ-4 envuelto tienen 6 pines, 4 de ellos se utilizan para buscar señales y otros 2 se utilizan para proporcionar corriente de calentamiento.
Circuito de medición de parámetros eléctricos se muestra como la figura 2
E. Sensibilidad curva característica
Fig.3 se muestra el típico características de sensibilidad de el MQ-4 para varios gases en su: Temp: 20 ℃,Humedad: 65%,Concentración de O2 del 21%,RL = 20kΩ,Ro: resistencia del sensor a 1000 ppm de CH4 en el aire limpio.R: resistencia del sensor en varios concentraciones de gases.
Fig.4 se muestra la dependencia típica de el MQ-4 de la temperatura y la humedad.Ro: resistencia del sensor a 1000 ppm de CH4 en el aire al 33% de humedad relativa y 20 grados.R: resistencia del sensor a 1000 ppm de CH4 en el aire a diferentes temperaturas y humedades.
AJUSTE SENSIVIDAD
Valor de resistencia de MQ-4 es la diferencia a varios tipos y diversos gases de concentración. Así que, cuando se utiliza este ajuste componentes, la sensibilidad es muy necesario. le recomendamos que calibre el detector para 5000 ppm de concentración de CH4 en valor el aire y el uso de la resistencia de carga (RL) sobre 20KΩ (10k a 47KΩ).
Al medir con precisión, el punto de alarma adecuado para el detector de gas debe ser determinada después teniendo en cuenta la temperatura y la humedad influencia.
Por cierto este módulo completo se puede comprar en Amazon SODIAL(R) MQ-4 Humo DC5V Metano Propano Gas Hidrogeno modulo del detector del sensor de Arduino






Deja un comentario