A pesar de las estadísticas donde todo parecía indicar que iban a cambiar las ventas de ordenadores convencionales por tabletas o dispositivos móviles, lo cierto es que está ocurriendo lo que parecía increíble hace algunos años, es decir que en los hogares ya haya más de un equipo en casa , incluso especializándose en tareas concretas , lo cual finalmente se traduce en más ventas de ordenadores y no al revés (es decir se parte de la idea principal de tener un equipo para cada función y no uno que sea capaz de realizarlas todas lo que al final significa más ingresos para el fabricante)
¿Y cómo es posible? pues sencillamente gracias a una bajada de precio generalizada en los equipos y por otro lado a una especialización , ya que ahora mismo es más barato comprar dos PCs para tareas distintas que adquirir un superordenador que lo haga todo.
Ejemplos claros de esta revolución son los HTPC o equipos de salón destinados muy profusamente al aspecto multimedia, los ordenadores Gaming espcializado en entretenimiento o videojuegos con hw especializado y por último los famosos All-in-One ( es decir Todo en Uno ) , ordenadores que como su misma palabra en inglés indican que incluyen todos los elementos del ordenador físicamente en un único dispositivo . el cual suele ser la pantalla , eliminando así gran parte de los cables externos (los podemos identificarlos fácilmente porque todas la electrónica como la placa base,cpu,disco y resto de componentes están dentro de la propia carcasa de la pantalla).
Estos equipos AIO tienen ventajas sobre los ordenadores de sobremesa y sobre los portátiles fundamentalmente por el aspecto compacto , estética más lograda para integrase en el hogar , mayores dimensiones para las pantallas , menor disipación de calor a no ser tan relevante la necesidad de miniaturización y por consiguiente menos averías ( al ir mejor refrigerados y no necesitar movilidad ). No obstante estos equipos también tienen sus sombras especialmente en el apartado de averías de la pantalla : si se estropea (aunque nos sea frecuente) el tft , no podremos conectar otra pantalla externa y por tanto nos quedaría el equipo completo inoperativo a no ser que accedamos a este por escritorio remoto o similar .

Idea de montaje
Al contrario de lo que pueda pasar con los típicos ordenadores de torre donde hay un sinfín de opciones en el mercado para adquirir las cajas y obviamente los componentes( Cpu, disco , fuente,memorias, etc) , no ocurre lo mismo con los ordenadores AIO -all in one, pues no existe posibilidad de adquirir por nosotros mismos los componentes …
Pero ..¿qué podemos hacer si deseamos fabricarnos un equipo compacto huyendo de las clásicas torres ? Pues, que toca sacar nuestro espíritu constructivo e ingeniarse para colocar todos los componentes de un ordenador fuera de la vista pero con la suficiente rigidez mecánica para que queden perfectamente fijados a una base.
La idea que hemos implementado en este blog y que iremos desvelando en sucesivos posts es bien usar una base ,por ejemplo una madera de contrachapado, una placa de baquelita , etc que sirva de soporte de los componentes para poderla fijar con los tornillos al soporte VESA de la parte de atrás del monitor , o bien, si el monitor que vamos a usar es algo antiguo y queremos tener aún mayor compacidad , directamente atornillar por atrás a la propia carcasa del monitor todos los elementos.
Obviamente para fijar los elementos a la pantalla deberemos usar componentes adaptados para que no ocupen demasiado espacio especialmente en la dimensión de profundidad así que dado que la placa madre es el elemento que más espacio ocupa se hace vital encontrar una placa adecuada para ellos .
Eleccion de placa madre
Vemos pues que la primera decisión par construirnos un AIO es elegir la placa base y el procesador pues son unos de los elementos que ocupan más de un ordenador . Dadas las características que se buscan en un AIO , lo aconsejable es adquirir una placa en formato micro ATX por sus reducidas dimensiones lo cual no significa necesariamente poco rendimiento pues están disponibles para una variedad muy grande de procesadores.
Por otro lado hay fabricantes que ponen énfasis en el material de la pcb de la placa base respecto respecto a las tolerancias a las humedad ya que aunque no debería haber agua cerca, en realidad puede haber mucha humedad excesiva en el aire , lo cual literalmente va matando a la placa madre en silencio y lentamente debido cortocircuitos que se generarán. Afortunadamente, ASRock tiene un nuevo diseño de PCB de fibra de vidrio de alta densidad que reduce las brechas entre las capas de PCB para proteger la placa base contra cortocircuitos eléctricos causados por la humedad.
Con estas consideraciones ,se ha seleccionado la placa J3455M de Asrock disponible con dos capacidades diferentes:
- Intel® Quad-Core Processor J3455 (up to 2.3 GHz)(for J3455M)
- Intel® Dual-Core Processor J3355 (up to 2.5 GHz)(for J3355M)
Por cierto , en ambos placas el procesador viene soldado a la placa y con el radiador pasivo incorporado ,lo cual evita muchos problemas consiguiendo además con esto una reducción considerable de espacio y ruido ( al no llevar ventilador) así como una considerable reducción de consumo eléctrico.
Esta placa es compatible con Microsoft® Windows® 10 64 bits y Linux: Ubuntu 16.10 / Fedora 25 y para los escépticos ,quizás puedan parecer procesadores antiguos , pero en realidad para navegar por la red ,trabajos ofimáticos , reproducir elementos multimedia , etc estas características son más que sobradas si se busca un equipo económico de reducidas dimensiones . Incluso esta placa admite la decodificación HEVC de 10 bits para proporcionar una calidad de video mejorada y una experiencia de video con mayor profundidad de bits.
En el apartado grafico , tampoco esta nada mal pues los gráficos integrados implementan Intel® HD Graphics 500: 12 EU en el interior (hasta 750MHz) , con soporte DirectX 12 y Pixel Shader 5.0 y tres opciones de salida gráfica: D-Sub, DVI-D y HDMI sindis compatible con tres monitores simulataneos
Asimismo es compatible con HDMI con resolución máxima de hasta 4K x 2K (3840×2160) a 30Hz o 2560×1600 @ 60Hz , para DVI-D con máxima resolución hasta 1920×1200 @ 60Hz, para D-Sub con máxima resolución hasta 2048×1536 @ 60Hz. También es compatible con Auto Lip Sync, xvYCC y HBR (audio de alta velocidad de bits) con HDMI (requiere un monitor compatible con HDMI) admitiendo descodificadores acelerados por hardware: H.264 con nivel 5.2, HEVC (H.265) 10b con MP nivel 5.1 (GPU acelerada), JPEG, VP8 y VP8
Por ultimo referente a la grafica integrada es compatible con función HDCP con puertos DVI-D y HDMI y con reproducción Blu-ray (BD) Full HD de 1080p con puertos DVI-D y HDMI
Resumiendo estas son algunas características de las placa Asrock J3455M y J3355M:
- Incluyen Procesador Intel® Dual core en j335M y Quad-Core en J3455 (hasta 2.3 GHz) . Desde esta lineas recomendamos claramente la que cuenta con el Procesador Quad-Core (es decir la J3455 ) pues por unos pocos euros mas , ofrece mejor rendimiento, menor consumo y nuevas capacidades multimedia. En ambos caso el disipador es pasivo reduciendo asi el ruido , el volumen y el consumo
- Admiten memoria DDR3 / DDR3L 1866 con 2 ranuras DIMM
- Una ranura PCIe 2.0 x16 (@ 1), 2 PCIe 2.0 x1
- Dos conectores SATA3
- Cuatro conectores USB 3.1 Gen1 (2 frontales, 2 traseros)
- Admite Full Spike Protection, ASRock Live Update y APP Shop
- Soporte de audio 7.1 CH HD (Códec de audio Realtek ALC887) con condensadores de audio ELNA
- Soporta triple monitor.
- Opciones de salida de gráficos: HDMI, DVI-D, D-Sub
- Cámaras IP: Admite hasta 48 canales de cámaras H.265 IP. Puede funcionar como un sistema NVR (Grabador de video de red) de 48 canales de grado industrial. También es capaz de grabar HEVC (H.265) para hasta 48 cámaras IP en resolución D1 (704×576).
Resumimos algunas de su características mas destacadas:
HEVC 10-bit Decoding :Admite la decodificación HEVC de 10 bits para proporcionar una calidad de video sustancialmente mejorada y una experiencia de video con mayor profundidad de bits. El contenido de 10 bits admite hasta 1.07 billones de paleta de colores, puede tener más detalles de la imagen y un mayor rango entre la parte más brillante y la más oscura de la imagen.
Triple monitor: esta placa base es compatible con Triple Monitor. Puede elegir hasta tres interfaces de pantalla desde la E / S posterior para conectar monitores y usarlos simultáneamente sin instalar otra tarjeta gráfica gracias a la tecnologia display ports.
Soporte de memoria de 16GB : Cada ranura admite módulos de memoria de 8 GB, por lo que ofrece una capacidad máxima de hasta 16 GB.Admite DIMM largos estándar y de baja tensión . Es capaz de admitir DIMM largos estándar y de baja tensión.

Power Gear: Alterna entre tres modos operativos (Eco, Normal y Sports) para maximizar el rendimiento o conservar energía. Use el modo Eco para ahorrar energía durante descargas de torrents u otras actividades livianas, modo normal para tareas regulares como navegación web o procesamiento de textos, y luego cambie al modo Sport para realizar trabajos pesados como juegos o reproducción de video 4K.
ELNA Audio Caps :ASRock ha aplicado condensadores de audio ELNA en placas madre convencionales y economicas En comparación con las tapas sólidas tradicionales, la corriente de fuga de las tapas de audio ELNA es simplemente de 3uA. Esta es la clave para reducir el nivel de ruido de manera significativa y satisfacer incluso a los audiófilos más exigentes.
Diseño sólido de condensadores:ASRock aplicó condensadores sólidos en esta placa base. Con estas tapas sólidas, esta placa base puede funcionar de forma más estable y garantizar una mayor vida útil.
Protección completa contra picos de tensión:Algunos componentes digitales sensibles en la placa base son vulnerables a las sobretensiones, de modo que la corriente excesiva puede causar un mal funcionamiento del sistema de inmediato. ASRock Full Spike Protection incluye varias tecnologías para evitar que los componentes de la placa madre se dañen por estos inesperados picos de tensión
ASRock XFast LAN :Cuando una pagina de Internet se carga muy lentamente sin una razón clara, generalmente se debe a una administración ineficiente. ASRock está implementando una administración web súper eficiente en la industria de las placas madres. XFast LAN es una herramienta conveniente que controla las aplicaciones relacionadas con Internet de manera fácil y eficiente. Al crear un entorno de Internet perfecto, todo lo que necesita es un administrador inteligente. ASRock XFast LAN le permite disfrutar de más velocidad, tareas múltiples más fáciles, experiencia multimedia mejorada y más, todo sin agobiarlo.
Soporte HDMI:Esta placa base admite HDMI ™ (Interfaz multimedia de alta definición) que es un estándar de interfaz para transferir datos de video sin comprimir y brindar audio multicanal a través de un solo cable. Las señales de datos de audio y video transferidas a través de la interfaz HDMI ™ son digitales sin convertirse en analógicas, por lo tanto, ofrece las imágenes más ricas y los sonidos más realistas.
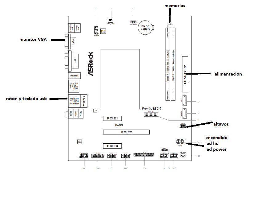
Conectores externos
Como vemos en la imagen cuenta la placa Asrock J3455M con dos conectores PS/2 para teclado y raton , 2 conectores USB 3.0 Ports (USB3_01) lo cual es diferenciable por el color azul del bástago interior , dos conectores USB 2.0 Ports (USB01) y un conctor LAN RJ-45 Port
Respecto al apartado gráficos destaca una conexión HDMI . También cuenta un conector DVI tipo D y una clásica conexión de SVGA con un sub-d de 15pines , la cual aunque no es la mejor opcion , probablemente sea la que se use si vamos a integrar la placa sobre un viejo monitor lcd con una única salida de vga
Sobre las conexiones de audio van sobre los clásicos jack de 3 1/2″;
- Azul claro (panel trasero) :Salida del altavoz trasero
- Lima (panel trasero); Salida de altavoz frontal
- Rosa (panel trasero): Central / Subwoofer Salida de altavoz

Cableado de la placa
Sobre la placa hay 18 conectores ,pero no tema , solo se requieren 4 de estos para hacer funcionar a Asrock J3455M
Esta es la descripción de los diferentes coenxiones:
2 CPU Fan Connector (CPU_FAN1)
3 Borrar CMOS (CLRMOS1)
4 ranuras DIMM DDR3 de 2 x 240 pines (DDR3_A1, DDR3_B1)
5 Conector de alimentación ATX (ATXPWR1)
6 Conector SATA3 (SATA3_1)
7 Conector SATA3 (SATA3_2)
8 Cabezal USB 3.0 (USB3_2_3)
9 Chassis Intrusion and Speaker Header (SPK_CI1)
10 Encabezado del panel del sistema (PANEL1)
11 Conector de ventilador del chasis (CHA_FAN1)
12 Cabezal USB 2.0 (USB_4_5)
13 USB 2.0 Encabezado (USB6)
14 Encabezado USB 2.0 (USB_2_3)
15 Encabezado del puerto de impresión (LPT1)
16 Encabezado del puerto COM (COM1)
17 Cabecera del puerto COM (COM2)
18 encabezado TPM (TPMS1)
19 Encabezado de audio del panel frontal (HD_AUDIO1)
En el siguiente esquema , excepto la conexión sata para el disco del sistema , hemos puesto tanto las conexiones externas como internas mínimas necesarias para arrancar la placa con un sistema operativo:

Conector principal:
Este conexión es muy importante para poder arrancar la fuente y con ello el pc.
Normalmente estas conexiones van un panel frontal que puede diferir según el modelo. Un módulo de panel frontal consiste principalmente en un interruptor de encendido, interruptor de reinicio, LED de encendido, LED de actividad del disco duro, altavoz y etc .Si cuenta con uno al conectar el módulo del panel frontal del chasis a este encabezado, asegúrese de que el cable las asignaciones y las asignaciones de pines coinciden correctamente. SI no cuenta con un modulo basta que use un pulsador ya que el resto de conexiones son opcionales.
Esta es las descripcion de los pines:
- PWRBTN (interruptor de encendido):Conéctelo al interruptor de encendido en el panel frontal del chasis. Puede configurar el camino a apague su sistema usando el interruptor de encendido.
- RESET (reiniciar interruptor): Conéctese al interruptor de reinicio en el panel frontal del chasis. Presione el interruptor de reinicio para reiniciar la computadora si la computadora se congela y no realiza un reinicio normal.
- PLED (LED de alimentación del sistema):Conéctese al indicador de estado de alimentación en el panel frontal del chasis. El LED está encendido cuando el sistema esta operando El LED sigue parpadeando cuando el sistema está en estado de suspensión S1 / S3.El LED está apagado cuando el sistema está en estado de suspensión S4 o apagado (S5).
- HDLED (LED de actividad del disco duro):Conéctese al LED de actividad del disco duro en el panel frontal del chasis. El LED está encendido cuando el disco duro está leyendo o escribiendo datos.
Conector de altavoz
Suele ser muy importante para el caso de que no hay video la placa lo notifique con señales audibles. Se conecta mediante un conctor estandard de 4 pines entre el pun speaker y +5v
Puede conectar también un pulsador de intrusión del chasis en la fila de anajo entre los pines SIGNAL y GND
Conector de alimentación
Esta placa base proporciona una potencia ATX de 24 pines conector. Para usar un pin de 20 pines de una fuente de alimentación ATX, por favor conéctelo a lo largo de Pin 1 y Pin 13.
Conector altavoces externos
Puede conectar altavoces autoamplificados a este conector de forma opcional. El Audio de Alta Definición (HDA, en inglés) es compatible con el método de sensor de conectores, sin embargo, el cable del panel del chasis deberá ser compatible con HDA para que pueda funcionar correctamente.
Si utiliza un panel de audio AC’97, colóquelo en el cabezal de audio del panel frontal
siguiendo los pasos que se describen a continuación:
A. Conecte Mic_IN (MIC) a MIC2_L.
B. Conecte Audio_R (RIN) a OUT2_R y Audio_L (LIN) a OUT2_L.
C. Conecte Ground (Conexión a tierra) (GND) a Ground (GND).
D. MIC_RET y OUT_RET se utilizan únicamente con el panel de audio HD. No es
necesario que los conecte en el panel de audio AC’97.
E. Para activar el micrófono frontal, vaya a la ficha “micrófono frontal” (FrontMic) en el panel de control de Realtek y ajuste el “Volumen de grabación” (Recording Volume).

Memorias
Esta placa cuenta con procesador y gráficos integrados pero obviamente no cuenta con memorias por lo qeu proporciona dos ranuras DIMM de 240 pines DDR3 (Double Data Rate 3), y es compatible con la tecnología de memoria de doble canal.
La Asrock J3455M cuenta con tecnología de memoria de Doble Canal DDR3/DDR3L no admitiendo modulos de 2GB DRAM .Es compatible con memoria no-ECC, sin búfer DDR3/DDR3L 1866/1600//1333
La capacidad máxima de la memoria del sistema es de 16GB
IMPORTANTE ;
- Los módulos DIMM solo caben en una orientación correcta. Causará daño permanente a la la placa base y al DIMM si fuerza el DIMM en la ranura con una orientación incorrecta.
- Para la configuración de doble canal, siempre debe instalar modulos idénticos (la misma marca,velocidad, tamaño y tipo de chip) DDR3 DIMM pares.
- . No puede activar la tecnología de memoria de doble canal con solo un modulo de memorias instalado
- No está permitido instalar un módulo de memoria DDR o DDR2 en una ranura DDR3; de otra manera,esta placa base y DIMM pueden estar dañados.
Para un uso ofimática,multimedia y navegación 2 módulos de DDR3 de 2GB son más que suficientes ,la cual es la configuración que probaremos
En próximas entradas veremos como instalar la placa tras el monitor , como colocar el disco y la fuente y ajustes finales para configurar nuestro autentico AIO casero personalizado que puede evolucionar hasta donde queramos llegar ¿nos acompaña?




Deja un comentario