Cada vez hay dispositivos que nos pueden ayudar en el dia a dia a mejorar nuestra calidad de vida. Uno de los ejemplos puede ser El Blink Video Doorbell , un «video timbre» ultra-compacto y autoalimentado que permite recibir notificaciones y alertas de movimiento en la aplicación Blink y sincronizarse con el timbre convencional de casa.
Realmente no es un videoportero en su sentido mas estricto (necesita un modulo aparte y gasta mas batería), pero realmente es útil porque hace una foto/video del llamante como algunos videoporteros, nos avisa por Alexa y podemos hablar con el llamante incluso estando fuera de casa.

Los usuarios pueden ver video en tiempo real en 1080p, incluso de noche gracias a la visión por infrarrojos, y usar audio bidireccional para contestar al timbre. Las grabaciones pueden almacenarse en la nube con una suscripción a Blink o en una memoria externa usando un Blink Sync Module 2. También es compatible con Alexa para recibir notificaciones y comandos de voz en dispositivos Echo o Fire.
Algunas de sus características:
- Vídeo HD 1080p: Ofrece una claridad excepcional en las imágenes, tanto de día como con visión nocturna por infrarrojos.
- Audio Bidireccional: permite comunicarse con los visitantes desde cualquier lugar, lo que añade un nivel extra de seguridad y conveniencia.
- Diseño Adaptativo: Puede funcionar tanto con cableado como sin cables, adaptándose a diferentes configuraciones del hogar.
- Notificaciones Personalizadas: Recibe alertas en tu móvil cuando se detecta movimiento o cuando alguien presiona el timbre, lo que le mantiene informado de la actividad en su puerta.
- Fácil Instalación: Se destaca por ser un dispositivo muy fácil de instalar y a un precio bastante ajustado
Problemas con el cableado de 220V
En Europa normalmente no habrá problemas para instalar un timbre del este tipo (24V) en su modalidad «alámbrica»( es decir cableado) porque normalmente todos los timbres instalados son de 24V, los cuales se usan principalmente por razones de seguridad y eficiencia. Aquí están las principales razones de que usan tan poca tensión en corriente alterna::
- Seguridad: El uso de un voltaje más bajo, como 24V, reduce significativamente el riesgo de electrocución. Esto es particularmente importante en áreas donde puede haber contacto accidental con cables o componentes eléctricos, como cerca de las entradas de las casas donde los timbres suelen estar ubicados.
- Cumplimiento de Normativas: Muchas normativas eléctricas y códigos de construcción requieren que los dispositivos accesibles al público operen a voltajes más bajos para minimizar los riesgos eléctricos.
- Facilidad de Instalación: Trabajar con voltajes más bajos es generalmente más seguro y sencillo, lo que facilita la instalación y el mantenimiento. Esto permite que incluso personas con conocimientos básicos de electricidad puedan instalar y reparar el timbre sin riesgos significativos.
- Eficiencia Energética: Los transformadores que reducen el voltaje de 220V o 110V a 24V son eficientes y permiten que el timbre funcione con menor consumo de energía.
- Compatibilidad con Otros Sistemas: Los sistemas de timbres a 24V pueden integrarse fácilmente con otros sistemas de seguridad y automatización del hogar, muchos de los cuales también operan a voltajes bajos.
- Resistencia a las Condiciones Ambientales: Aunque la resistencia a la lluvia y la humedad no es la razón principal para usar 24V, sí es más seguro tener componentes eléctricos de bajo voltaje expuestos a condiciones ambientales adversas. Además, los transformadores y las cajas de timbres están diseñados para ser resistentes a la intemperie, protegiendo los componentes internos de la humedad.
Por tanto el uso de timbres de casa a 24V o menos se debe principalmente a consideraciones de seguridad y facilidad de instalación, así como a la eficiencia energética y la compatibilidad con otros sistemas de baja tensión ¿pero que hacemos si no contamos con una instalación de 220v? .
Se ha comentado que podemos mantener el timbre tradicional, también de modo que cuando se pulse el Blink también siga sonando el antiguo, pero como se ha relatado hay un pequeño problema: y es que solo nos funcionará si la instalación es de bajo voltaje ( 16-24V AC) y no la convencional de 220V. Por tanto si nuestro timbre es de 220V , si queremos mantener ambos sistemas tendremos que modificar la instalación para que funcione a 24V, de modo que previo a la instalación del blink necesitaremos hacer varias cosas:
- Modificar la instalación del timbre para que solo llegue al cableado del timbre antiguo la salida del transformador de 12 o 24V .
- Añadir un transformador 220V/12V (o hasta 24v) a la instalación .
- Sustituir el timbre de 220V por uno de 12V( o hasta 24V).
Modificación instalación de 220V a 12/24V AC
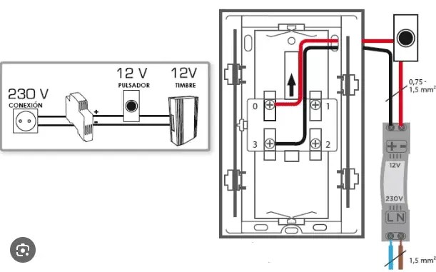
En la siguiente imagen vemos una instalación convencional de un timbre clásico que funciona a 220v . Como vemos no hay nada «mágico» solo hay una fase y neutro que van a una caja de conexión y uno de los hilos se deriva al pulsador y el otro va directamente al timbre ( y claro, el otro hilo del pulsador va hacia el timbre).

Ojo por cierto con la instalación anterior porque a veces la caja de conexión se sustituye por la propia caja del pulsador ( no es frecuente) o lo mas normal es que se instale en alguna caja del interior de la vivienda próxima a la entrada de la vivienda como por ejemplo la de algun conmutador para encender alguna luz próxima ala puerta.
Y a continuación vemos la instalación a 24v/12v donde simplemente hemos intercalado el transformador en la instalación realizada.

Es importante destacar que el transformador es en el sentido estricto ( es decir de AC) y lo conectaremos entre fase y neutro de la entrada del timbre original y la salida de 12/24V ira a los cables de la instalación original.
Instalación de la placa posterior y conecte los cables.
Bueno si ya tiene adaptado su instalación del timbre a 12v/24v AC con el transformador y el timbre de 12/24V, ya podemos ponernos manos a la obra con la instalación propiamente del blink.
Antes de nada instalaremos la app Blink en nuestro terminal y nos registraremos como nuevo usuario. Una vez que agregue el Video Doorbell a su cuenta Blink , seleccione Montar con cableado , y la aplicación lo guiará a través del proceso de cableado.
- Cuando tenga los elementos necesarios (kit Blink Video Doorbell , taladro eléctrico y cinta adhesiva), toque Continuar para comenzar la instalación por cable.
- Toque Mi transformador es compatible para confirmar que el transformador de su timbre cumple con los requisitos máximos de 16 – 24 voltios CA a 50 – 60 Hz y 40 VA y luego toque Aceptar y continuar .
- Si no ha apagado el timbre y la caja del timbre, hágalo ahora. Cuando la energía esté apagada, toque Continuar .
- Si no ha quitado su antiguo timbre, hágalo ahora. Desconecte todos los cables conectados a su timbre antiguo y retire cualquier hardware adicional.
- Si está utilizando un soporte de cuña o de esquina, visite Instalar un soporte de cuña o de esquina para obtener instrucciones paso a paso. Si no está utilizando una cuña o un soporte de esquina, continúe con el siguiente paso.
- Utilice la plantilla incluida para mostrar dónde se deben perforar los orificios de montaje. Pegue la plantilla con cinta adhesiva en su lugar, aproximadamente a 40 a 48 pulgadas (102 cm a 122 cm) del suelo.
- Fije la placa posterior a su superficie con los tornillos que se incluyen. En una superficie lisa, utilice los orificios superior e inferior. En una superficie irregular, utilice los agujeros superiores y medios. Ojo tenga cuidado porque se debe colocar con la marca UP hacia arriba.
- Conecte el cable de timbre de 12/24V de a cada tornillo de la placa posterior. Cualquier cable se puede conectar a cualquiera de los postes. En el paquete del timbre se incluyen dos tornillos adicionales .Cuidado si su timbre tradicional es de 220V y no ha realizado el cambio de la instalación a 12 o 24 V porque entonces no debe conectarlo al blink ya que corre el riesgo de quemarlo.
- Si su timbre es de 12/24V el timbre tradicional también sonará cuando se pulse el blink una vez haya sincronizado este con la app.
En la siguiente galeria podemos ver sintetizado todo el proceso:





Montar el timbre
Utilice un movimiento de dos pasos para fijar el timbre a la placa trasera.
- Alinee el borde superior de su timbre con la placa posterior.
- Empújelo firmemente contra la placa posterior hasta que escuche y sienta un ligero clic para confirmar que está seguro. El timbre solo se puede quitar insertando la llave de liberación en la parte inferior.
- Nota : Si aparece el mensaje de alerta «No se admite alimentación por cable» durante la instalación del cableado y su timbre no está conectado a un Sync Module , esto significa que el cableado del timbre existente no es compatible. El timbre pasará de forma predeterminada al modo Event Response . Obtenga más información sobre el modo Event Response .
Vuelva a encender la alimentación y complete la configuración.
Vuelva a encender el timbre( pulsando el botón) y siga los siguientes pasos:
- El timbre buscará una conexión Wi-Fi y, cuando esté conectado, verá un mensaje de confirmación en la aplicación.
- A continuación, seleccione su tipo de timbre: mechanical chime o digital chime (timbe digital) y toque Continuar .
- Después de seleccionar un tipo de timbre, la aplicación lo guiará para probar el sonido de su timbre. Obtenga más información sobre cómo cambiar el volumen del timbre .
- Si la conexión se realiza correctamente, toque Listo y su Video Doorbell estará listo para usarse.
Conexión con Alexa
Como ultimo paso, si cuenta con una cuenta de Amazon de Alexa y algun dispositivo compatible ( echo dot, Echo Pop, echo show, etc. ) puede sincronizar el Blink desde la app de Alexa , de este modo que si alguien pulsa el timbre sonará el tradicional, recibirá la notificación o no desde la app de Blink ( según tenga activadas las notificaciones) , y lo mas importante, recibirá las notificaciones habladas en los Echo según los configure.
Además hay una funcionalidad extra si se sincroniza con Alexa: se puede desde la app Alexa ver video en tiempo real.
Alternativas a la cuota de Blink de 3/10€ mensuales
Blink puede funcionar sin suscripción pero entonces no hay opción de ver videos anteriores ni otras posibilidades , razón por la cual muchas personas optan por una suscripción mensual. Una forma de evadir la cuota es usando Blink Sync Module 2 cuya gran ventaja es que no se requieren cuotas mensuales para usar la funcionalidad de almacenamiento local de vídeos , que a fecha de publicación de este articulo ronda entre los 3 euros/al mes para un único dispositivo o 10€/mes para multidispositivo. Sin embargo, esta funcionalidad no es compatible con las cámaras Blink XT2, XT o las cámaras Blink Indoor de primera generación.
El modulo Blink Sync Module 2 es un dispositivo que permite controlar cámaras Blink y dispositivos asociados a través de la aplicación Blink Home Monitor. Puede conectar hasta 10 cámaras Blink Indoor, Blink Outdoor, XT2, XT, Blink Video Doorbell o dispositivos Blink Mini. Aunque para la Blink Mini no es necesario el módulo. Este módulo admite el almacenamiento local de vídeos de hasta 10 cámaras Blink Outdoor, Blink Indoor, Blink Mini y Blink Video Doorbell. Para ello, puede conectar una unidad de almacenamiento USB, que admita hasta 256 GB (se vende por separado), lo que le permite guardar y almacenar vídeos de movimiento. Sin embargo, es importante notar que no es compatible con la grabación de vídeo en directo.
Con el Blink Sync Module 2, puede visualizar, compartir y descargar alertas de movimiento desde tu unidad local a través de la app de Blink. También puedes conectar la unidad USB a su ordenador para ver las imágenes grabadas

Resumen
El Blink Video Doorbell, desarrollado por Amazon, es un timbre inteligente con cámara HD 1080p que proporciona imágenes nítidas tanto de día como con visión nocturna por infrarrojos, y permite la comunicación bidireccional para hablar con los visitantes desde tu móvil o dispositivos Alexa. Adaptable a instalaciones con y sin cables, ofrece notificaciones personalizadas al detectar movimiento o al presionar el timbre, y es fácil de instalar a un precio competitivo. Compatible con Amazon Echo y otros dispositivos Blink, incluye opciones de almacenamiento en la nube o local y una batería de larga duración. Es esencial verificar la legislación de privacidad y protección de datos antes de su instalación.





Debe estar conectado para enviar un comentario.