Como detectar la combinación de colores de una tira de leds WS2801


Ambilight es una tecnología diseñada para mejorar la experiencia visual  analizando las señales entrantes y produciendo una  luz lateral ambiental adecuada al contenido que se está visualizando en la pantalla un resultado bastante atractivo , el cual  además de la sensación de estar viendo una pantalla aun mayor.Hasta hace muy poco este efecto solo se podía conseguir si comprábamos un TV que contara con ese sistema y no había otra opción, pero recientemente  con la aparición de placas con suficiente capacidad computacional, se puede emular gracias al software de Hyperion ejecutándose en una Raspberry Pi conectado a  una tira de leds WS2801. A pesar de que este tipo de tiras usan el mismo chip no todas usan la misma secuencia de color ,lo cual se traduce que si la conectamos a una Raspberry Pi y no ajustamos este parámetro el efecto no sera tan realista pues el software cambiara  colores..

 

 

tira de leds.png

 

Las tiras de  leds   RGB   direccionables   basadas en el chip  ws2801 (LEDs WS2801) son las mas habituales para todo  tipo de montajes   donde se requiera direccionar un conjunto de leds RGB  con muy  pocos hilos , los cuales en el caso del WS2801  son unicamente dos : la señal de reloj y la linea de datos, ademas claro de la alimentación que es de 5V DC.

Existen tiras basadas en el chips WS2801   en formato «luces de navidad» con cables físicos que van uniendo cada  plaquita compuesta por el propio chip ws2801 ,el led RGB  y por supuesto la electronica asociada, pero lo mas habitual, es adquirir  el conjunto  en forma de cinta autoadhesiva unos circuitos a continuación de otros . Por ejemplo ,   esta  ( que puede comprarse en Amazon por menos de 27€). Una peculiaridad  de esta tiras  ws2801,es que se pueden cortar según la longitud que se requieran , así como además que también es posible ampliarlas gracias a  los conectores que llevan en cada extremo, pudiendo  unirse  entre ellas hasta donde se necesite.

Un aspecto importante es  que para alimentar dicha tiras  también  necesitaremos aparte  una fuente de alimentación  dimensionada para el números de leds que vayamos a adquirir ( por ejemplo para 50 leds  puede ser una fuente de  5v y 2A )

Aunque para emular el efecto ambilight  lo mas habitual es usar una Raspberry Pi   (como vimos  en este post ) es posible que el efecto producido no sea satisfactorio  básicamente porque la configuración por defecto de nuestra tira de leds  no sea la de la configuración «normal « que es la combinación RGB

Para averiguar que combinación RGB  es la  usada en nuestra tira de leds,lo mejor es que  conectemos  esta a una placa  Arduino UNO   o similar  (si no tenemos ninguna   puede adquirirse en Amazon por menos de 10€ )ws2801

 

Normalmente un led  WS2801  ,  solo 4 tiene  conexiones  , que a efectos de pruebas(máximo 2 leds)   podemos hacerlo así:

  • El cable VERDE proveniente del pin SD de la tira de leds al pin 11 del Arduino Uno.
  • El cable ROJO proveniente del pin CK  de al tira de leds al  pin 13 del Arduino Uno.
  • El cable NEGRO proveniente del pin  GND de la tira de leds al pin GND del Arduino Uno.
  • El cable AZUL proveniente del pin +5V de al tira de leds lo conectaremos a la  conexión +5v de Arduino

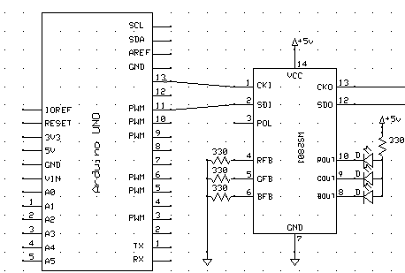
Es decir la forma de conectar uno  o dos leds WS2801  a  un Arduino  seria según el siguiente esquema :

leds arduino

Destacamos que el circuito que proponemos es para testar  uno o dos leds RGB del tipo WS2801   pues normalmente  la tira de  verios LEDs deben ser alimentados externamente fuera de la linea de +5V de  Arduino 5V,  pues de no hacerlo podrían estropear el regulador de la placa a qu ese conecte ,  a menos que solo vayamos a probar uno  o a lo sumo dos leds   donde si podremos conectar directamente a los 5v de nuestro Arduino  al igual  que la masa o  tierra que también conectaremos  a  la masa de Arduino.

 PRUEBA  DE  UNA TIRA DE LEDS DE MAS DE DOS LEDS 

En caso de no disponer de un led individal  NO debemos  realizar el esquema anterior pues podríamos quemar  nuestro Arduino, en lugar  de esto, conectaremos la tira de leds  por un lado a una fuente de 5V /2amp .  y por el otro a Arduino , por uno de los extremos segun el esquema habitual:

 

arduino.png

Como  hemos comentado en este blog ,en el caso de usar una tira de leds  hemos de tener cuidado ya que se conecta los tres hilos a Arduino  en uno de los extremos de la tira de leds  (el lado izquierdo de la tira ) .Como en cada extremo quedan sueltos los cables opuestos (normalmente el cable rojo es el positivo y el azul el negativo) conectaremos estos  también  para dar la alimentación a  la tira de  leds ( aunque también se podría hace  por las conexiones de la tira que también den energía  ya que llevan 5V  en una las 4 conexiones ).

 SOFTWARE EN EL ARDUINO

Para probar la combinacion RGB   conectaremos un modudo a  un   Arduino    el cual   ademas  hará de «puente» entre el ordenador host y la tira basado en WS2801 . Los datos de LED se transmiten, y  no se almacenan en búfer, lo que significa que si  hay mas código en Arduino  podrían generar demoras debido a la RAM limitada del Arduino,pero no obstante el algoritmo ejerce cierto esfuerzo para evitar las pérdidas de buffer

 El protocolo de cierre WS2801, basado en retardo, podría desencadenarse inadvertidamente si el bus USB o la CPU  está desbordada con otras tareas. Este código almacena datos entrantes en serie e introduce pausas intencionadas si hay una amenaza del buffer  lleno prematuro.

El costo de esta complejidad es algo que  reduce el rendimiento, pero la ganancia es muy buena  evitando  la mayoría de los fallos visuales  incluso aunque finalmente una función de carga en el bus USB y  host CPU, quede  fuera de  control.

Si no lo tenemos, descargaremos el software de arduino (Página oficial de arduino) y lo instalamos.

Conectamos el arduino uno a nuestro pc con el cable usb. Si pide los drivers, se pueden encontrarlo en la carpeta arduino-1.0.4\drivers.

Descargaremos  esta biblioteca:fastled biblioteca descarga, la cual  importaremos  al Arduino IDE.

Ahora toca cargar el sketch para lo cual  descaremos el código Adalight para las luces  aqui 

Descomprimiremos el archivo y  añadimos los archivos que acabamos de descargar en la carptea Mis documentos/ Arduino  y ng

Arrancaremos el software de arduino y  configuramos en el ide la placa Arduino en Herramientas –>Placa Arduino Uno ( o la placa que tengamos)   sin  olvidar el puerto de comunicaciones

Iremos a  File> Sketchbook> Arduino> Adalight  y uan vez cargado el sketch debemos ajustar el numero de leds  (podemos el numero de leds para este test) que  tengamos en la instalación  así como la velocidad máxima (500000 )

 #define NUM_LEDS 88 // Max LED count
#define LED_PIN 11 // arduino output pin – probably not required for WS2801
#define GROUND_PIN 10 // probably not required for WS2801
#define BRIGHTNESS 255 // maximum brightness
#define SPEED 500000 // virtual serial port speed, must be the same in boblight_config

Ahora ya podemos   compilar el software( botón primero que  pone un v de verificar).

adalight.PNG

Si no ha habido errores ahora podemos subir  el sw pulsando el botón de Upload( flechita a la derecha  en el software de Arduino.

Al contrario de lo que sucede  con el sketch LedlIght donde se iluminan las luces  de 3 colores rojo, verde y azul si todo ha ido bien, si tenemos conectadas los leds al arduino y a la fuente externa, cuando carguemos este  código dentro del Arduino solo lucirá el primer led de la cadena lo cual significará que estamos en buen camino.

IMG_20170221_170329.jpg

El código dentro de Arduino es no volátil, así que no se borrará aunque desconecte la tarjeta.

Sw en el PC

Una vez tenemos el sw de Adalight en un Arduino, toca instalar  el programa de captura que  envíe las señales correspondiente a nuestro Arduino

Entre los programas de captura  ambibox es el mejor especialmente con  windows 10, ya que no solo  tiene la capacidad para capturar su escritorio  sino de poner un fondo personalizable, convertir la tira en luces psicodelicas en función del audio,fondo variable automático ,plugins, etc

Se  puede encontrar aqui, tanto el software como el add-on para XBMC.

Una vez   descargado , durante la instalación se puede seleccionar  la opción de instalación completa ,marcando ademas la opción de descarga e instalación de playclaw.

Empezamos la configuración, pulsamos sobre el botón de mas ajustes :

more

En la parte inferior ,como vemos seleccionaremos como Device  Adalight , elegiremos  el puerto de comunicaciones ( el mismo al que este conectado el Arduino) y en el numero de zonas, coloremos  el numero de leds total que tengamos instalados ( en el ejemplo 88).

ORDEN DE LA SECUENCIA DE COLORES

Necesitamos averiguar  el  orden de colores, lo cual podemos probar   fijando un color mediante el selector de Mode  ( Static Background ), pinchando en el color ( aparecerá la paleta), pulsando en el check de Use backlight  (para activar el encendido de la tira al color seleccioando )  y finalmente  seleccionando en el combo order of colors la combinacion adecuada a la tira(o muestra )  que tengamos  :

 

combinaciones

En order of colors hay 6 opciones  posibles : RGB,RBG ,BRG ,BGR,GRB y  GBR  ,de la cual  debemos ir seleccionando  una  a una y pinchando en la paleta de colores   un numero de colores significativos  hasta que el color de los leds sea similar al de paleta y esa sera la combinación de orden de leds de nuestra tira .

Si no deseamos probar toda la paleta de colores , una idea es utilizar los colores primarios (rojo,verde  y azul ) para comprobar si se corresponde el color de la paleta seleccionada con la combinación de leds iluminada .

En el ejemplo anterior podemos ver como la combinación verde seleccionada  se corresponde con los leds iluminados en verde:

IMG_20170507_090930

Una combinación  muy habitual, por extraño que parezca, para muchas tiras de leds económicas   es  BGR

Una vez que ya sabemos cual es una la combinación correcta  de su tira de leds WS2801, si la va a usar en una Raspberry Pi    con el software de Hyperion,  si tiene configurado   el fichero de configuración hyperion.config.json hay que modificarlo  y copiarlo  en la Raspberry PI en el directorio /storage/.config     (   no confundir  con  la ruta /storage/hyperion/configuration/)

hyperion .

 

Lo que debemos modificar  en el hyperion.config.json  es parte primaria sobre la cabecera «device»  cuya configuración contiene los siguientes campos:

  •  ‘name’: El nombre de usuario del dispositivo (sólo se utiliza para fines de visualización)
  •  ‘type’: El tipo del dispositivo o leds (los tipos conocidos por ahora son ‘ws2801’, ‘ldp8806’, ‘ ‘lpd6803’, ‘sedu’, ‘adalight’, ‘lightpack’, ‘test’ y ‘none’)
  • output : La especificación de salida depende del dispositivo seleccionado. Esto puede ser, por ejemplo, el especificador de dispositivo, número de serie del dispositivo o el nombre del archivo de salida
  • rate’: El baudrate de la salida al dispositivo
  • colorOrder’: Es aqui el parametro qeu nos interesa  pues especifica el orden de los bytes de color (‘rgb’, ‘rbg’, ‘bgr’, etc.).Es muy  importante destacar que si no ajustamos este valor  se pueden cambiar el borde de los colores .Por ejemplo muchas tiran son del t tipo BGR, lo cual significa que si dejamos marcado por defecto en RGB  cambiará en todas las visualizaciones el rojo por el azul y biceversa

Ejemplo de configuración  de la sección  device correspondiente al post anterior  :

“device”: {
“colorOrder”: “bgr”,
“rate”: 500000,
“type”: “ws2801”,
“name”: “MyPi”,
“output”: “/dev/spidev0.0”
},

Ademas de cmbiar  el orden de colores  tambien podemos manipular la  configuración de manipulación de color utilizada para ajustar los colores de salida a un entorno específico.
La configuración contiene una lista de transformaciones de color. Cada transformación contiene  los  siguientes campos:

  •  ‘id’: El identificador único de la transformación de color (p. Ej. ‘Device_1’)
  • ‘leds’: Los índices (o índices) de los leds a los que se aplica esta transformación de color  (por ejemplo, ‘0-5, 9, 11, 12-17’). Los índices son basados ​​en cero.
  •  ‘hsv’: La manipulación en el dominio de colores Valor-Saturación-Valor con lo siguiente  parámetros de ajuste:
    •  ‘saturationGain’ El ajuste de ganancia de la saturación
    • ‘valueGain’ El ajuste de ganancia del valor
  • ‘rojo’ / ‘verde’ / ‘azul’: La manipulación en el dominio de color Rojo-Verde-Azul con los  siguientes parámetros de sintonización para cada canal:
    •  ‘umbral’ El valor de entrada mínimo requerido para que el canal esté encendido
      (más cero)
    •  ‘gamma’ El factor de corrección de la curva gamma
    •  ‘blacklevel’ El valor más bajo posible (cuando el canal es negro)
    •  ‘whitelevel’ El valor más alto posible (cuando el canal es blanco)

Al lado de la lista con transformaciones de color también hay una opción de suavizado.
‘Suavizado’: Suavizado de los colores en el dominio del tiempo con la siguiente sintonización  parámetros:

  • ‘type’ El tipo de algoritmo de suavizado (‘linear’ o ‘none’)
  •  ‘time_ms’ La constante de tiempo para el algoritmo de suavizado en milisegundos
  •  ‘updateFrequency’ La frecuencia de actualización de los leds en Hz

Ejemplo de configuración  de la seccion color  correspondiente al post anterior  

“color”: {
“transform”: [
{
“blue”: {
“threshold”: 0.050000000000000003,
“blacklevel”: 0.0,
“whitelevel”: 0.84999999999999998,
“gamma”: 2.0
},
“leds”: “0-81”,
“hsv”: {
“saturationGain”: 1.0,
“valueGain”: 1.0
},
“green”: {
“threshold”: 0.050000000000000003,
“blacklevel”: 0.0,
“whitelevel”: 0.84999999999999998,
“gamma”: 2.0
},
“id”: “leds”,
“red”: {
“threshold”: 0.050000000000000003,
“blacklevel”: 0.0,
“whitelevel”: 1.0,
“gamma”: 2.0
}
},
{
“blue”: {
“threshold”: 0.050000000000000003,
“blacklevel”: 0,
“whitelevel”: 0,
“gamma”: 2.0
},
“leds”: “82-149”,
“hsv”: {
“saturationGain”: 0,
“valueGain”: 0
},
“green”: {
“threshold”: 0.050000000000000003,
“blacklevel”: 0,
“whitelevel”: 0,
“gamma”: 2.0
},
“id”: “ledsOff”,
“red”: {
“threshold”: 0.050000000000000003,
“blacklevel”: 0,
“whitelevel”: 0,
“gamma”: 2.2000000000000002
}
}
],

Ttambien podemos cambiar la configuración para cada led individual. En eta parte se especifica el área  promediado de una imagen de entrada para cada led para determinar su color. Cada elemento de la lista  contiene los siguientes campos:

  •  index: El índice del led. Esto determina su ubicación en la cadena de leds; cero
    Siendo el primer led.
  •  hscan: La parte fraccional de la imagen a lo largo de la horizontal utilizada para el promedio  (mínimo y máximo inclusive)
  •  vscan: La parte fraccional de la imagen a lo largo de la vertical utilizada para el promedio  (mínimo y máximo inclusive)
  •  ‘updateFrequency’ La frecuencia de actualización de los leds en Hz


“leds” :
[
{
“index” : 0,
“hscan” : { “minimum” : 0.0000, “maximum” : 0.0500 },
“vscan” : { “minimum” : 0.0000, “maximum” : 0.0800 }
},
{
“index” : 1,
“hscan” : { “minimum” : 0.0000, “maximum” : 0.0357 },
“vscan” : { “minimum” : 0.0000, “maximum” : 0.0800 }
},

…………………..

{
“index” : 87,
“hscan” : { “minimum” : 0.0000, “maximum” : 0.0500 },
“vscan” : { “minimum” : 0.0000, “maximum” : 0.0714 }
}
],

 

Por ultimo , tambien podemos tocar la  configuración del motor de efectos, el cual contiene los siguientes elementos:

  • paths: Una matriz con ubicaciones absolutas de directorios con efectos
  • bootsequence: El efecto seleccionado como ‘secuencia de arranque’. Es importante cambiar a su valor en OpenElec  “/storage/hyperion/effects”

Ejemplo de configuración sección  effects correspondiente al post anterior  :

“effects”: {
“paths”: [
“/storage/hyperion/effects”
]
},

 

Una vez copiado el fichero  hyperion.config.json en storage/.config reinicie la RPI y si todo ha ido bien debería ver un efecto de arcoiris y las luces deberían ser coherentes con los colores que precise reproducir el sw de hyperion